Created by
Created August 11, 2013
Last modified August 11, 2013
Tags 555   and   diode   flyback-diode   inverting   logic-gate   nor   pull-down   relay  

Summary

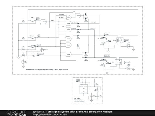
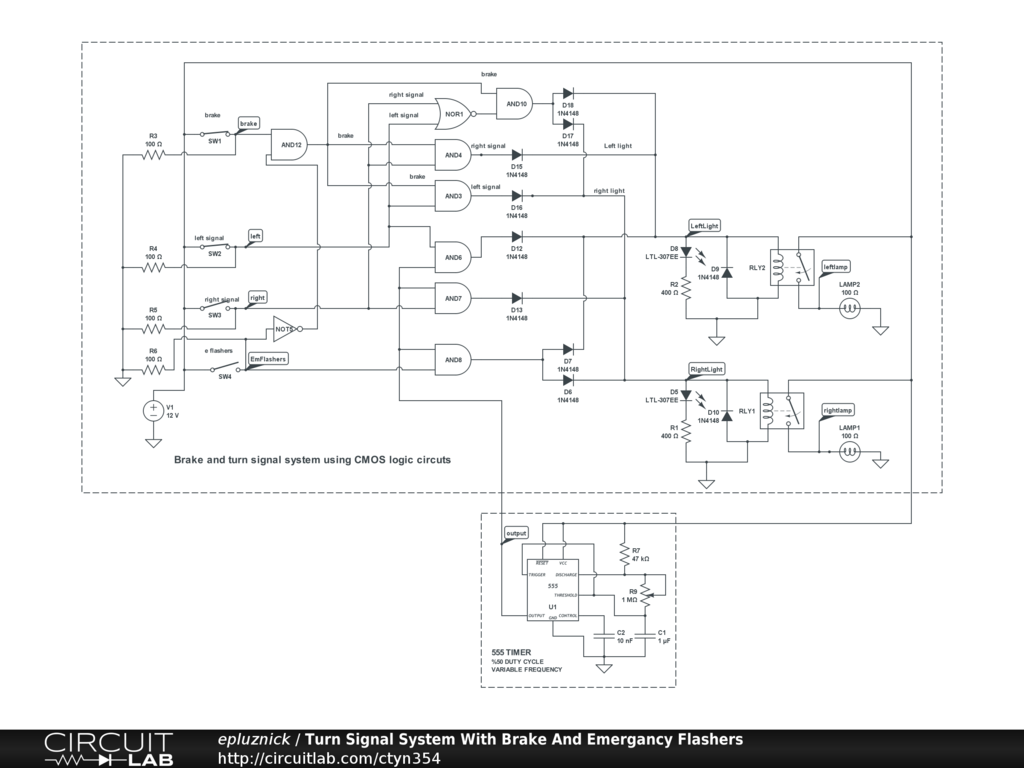
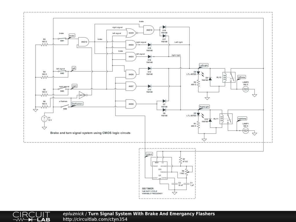
Automotive Brake Light System Using CMOS Logic.
includes brake turn signals and emergency flashers .


Description

simple automotive brake system

includes brake turn signals and emergency flashers

The 555 timer is wired for a variable output speed as slow as 1 Hz at approximate %50 duty cycle

TRUTH TABLE: Sorry still working on a better way to include truth tables in my descriptions

turn left | turn right | brake |flashers | = | left light | lft turn | rlight | rturn

0 | 0 | 0 | 0 | = | 0 | 0 | 0 | 0

x | x | x | 1 | = | 0 | 1 | 0 | 1

0 | 1 | 0 | 0 | = | 0 | 0 | 0 | 1

1 | 0 | 0 | 0 | = | 0 | 1 | 0 | 0

0 | 1 | 1 | 0 | = | 1 | 0 | 0 | 1

1 | 0 | 1 | 0 | = | 0 | 1 | 1 | 0


Comments

No comments yet. Be the first!

Leave a Comment

Please sign in or create an account to comment.

Revision History

Only the circuit's creator can access stored revision history.