Created by
Created December 27, 2021
Last modified January 11, 2022
Tags amplificador-operacional   convertidor-4-20ma   transductor-de-corriente  

Summary

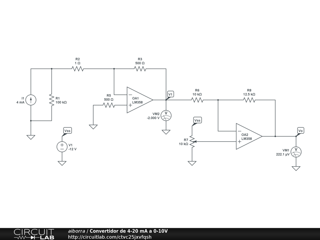
Convertidor de 4-20 mA a 0-10V que consta de dos etapas: convertidor corriente tensión y convertidor de rango de tensiones.


Description

Los transductores son dispositivos muy utilizados en las instalaciones industriales para obtener información de las diferentes variables que intervienen en los procesos industriales (temperatura, presión, caudal, etc.). Para ello, los transductores transforman una magnitud física (mecánica, térmica, magnética, eléctrica, óptica, etc.) en una señal eléctrica que posteriormente será procesada por los sistemas de instrumentación y control, los cuales suelen estar muy distantes de los transductores. Los lazos de corriente del tipo 4-20 mA son ideales para transmitir información a distancia porque la corriente no cambia a medida que viaja del transmisor hasta el receptor, sin embargo, las señales de tensión son muy sensibles al ruido por lo que son más problemáticas.

En el circuito de la figura se ha modelizado un transductor que proporciona una señal 4-20 mA mediante una fuente de corriente I1 que está en paralelo con la resistencia R1. El cable a través del cual se transmite la señal de corriente desde el transductor al sistema de control se ha modelizado mediante la resistencia R2. El resto del circuito está conformado por dos etapas implementadas cada una de ellas mediante los amplificadores operacionales OA1 y OA2.

La primera etapa, formada por el amplificador OA1 y las resistencias R3 y R5, transforman la señal de corriente proporcionada por un transductor del tipo 4-20mA en una señal de tensión en el rango comprendido entre -2V y -5V. En el caso de que la señal de corriente proporcionada por el transductor sea de 4mA, la tensión en V1 valdrá -2V. Del mismo modo, cuando la corriente proporcionada sea de 10mA, la tensión en V1 valdrá -5V.

La segunda etapa formada por el amplificador OA2 y las resistencias R6, R7 y R8 es un convertidor de rango de tensiones que se encarga de convertir la señal de tensión de entrada que se encuentra en el rango comprendido entre -2V y -10V a una señal de tensión en el rango entre 0V y 10V.

Con la ayuda de Circuitlab puedes hacer un análisis "DC SWEEP" también conocido como "Barrido en continua". Permite obtener gráficos de una o varias variable del circuito (en este caso V1 y Vo) ... en función de cómo varían una o varias entradas (en este caso I1). El gráfico obtenido muestra claramente que cuando variamos I1 entre 4 y 20 mA, V1 varía linealmente entre -2V y -10V, y Vo entre 0V y 10V.

En el canal de Youtube de Acadenas puedes encontrar una explicación más detallada del circuito https://youtu.be/kSF_YRUGvAo


Comments

No comments yet. Be the first!

Leave a Comment

Adding comments has been disabled for this circuit.

Revision History

Only the circuit's creator can access stored revision history.