Created by
Created October 02, 2012
Last modified October 03, 2012
Tags No tags.

Summary

Not provided.


Description

Not provided.


Comments

Is there additional IC packages for circuit lab?

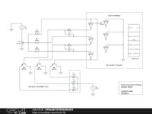
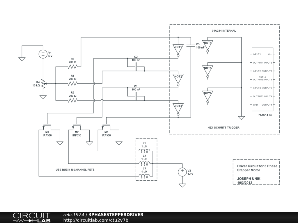
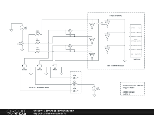
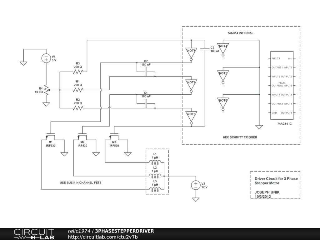
Need a 74AC14 hex schmitt trigger IC

by relic1974
October 02, 2012

Leave a Comment

Please sign in or create an account to comment.

Revision History

Only the circuit's creator can access stored revision history.