Created by
Created March 29, 2012
Last modified March 30, 2012
Tags No tags.

Summary

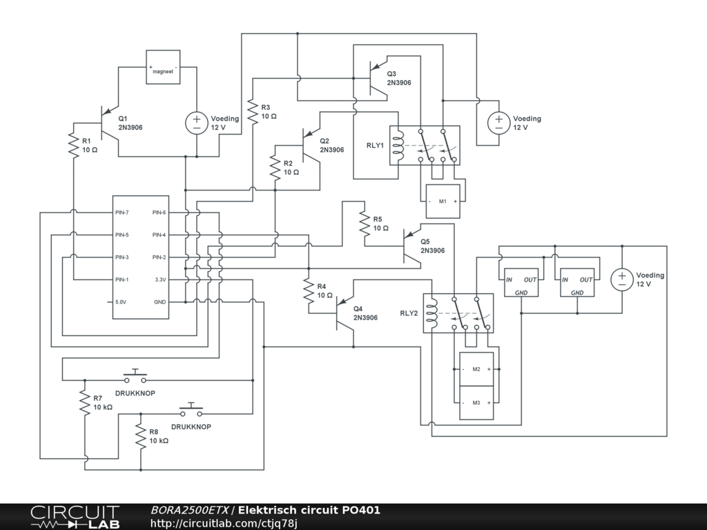
Circuit elektrische aansturing groep P&O401


Description

Not provided.


Comments

No comments yet. Be the first!

Leave a Comment

Please sign in or create an account to comment.

Revision History

Only the circuit's creator can access stored revision history.