Created by
Created April 27, 2015
Last modified September 04, 2015
Tags high-voltage  

Summary

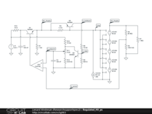
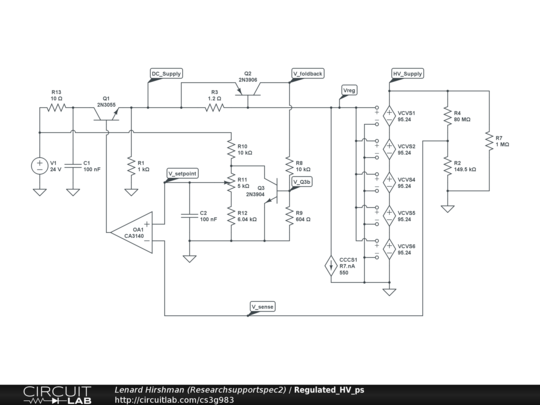
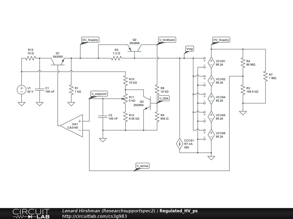
Using a LM317 Regulator & EMCO GP Series HV power supply blocks, we have a regulated 5KV supply with current fold-back.


Description

Not provided.


Comments

No comments yet. Be the first!

Leave a Comment

Please sign in or create an account to comment.

Revision History

Only the circuit's creator can access stored revision history.