Created by
Created January 23, 2013
Last modified January 29, 2013
Tags 7805   arduino   attiny85   digispark   spycam   usb-charger  

Summary

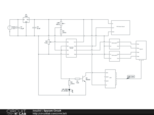
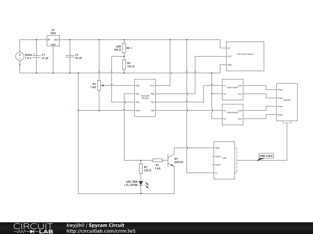
Camera triggered by Arduino


Description

Car key spy cam controlled by a digispark. Spy cam is powered over USB but when in charging mode photos cannot be triggered. So the 5V connection to the USB is controlled by Arduino.

Triggering a photo works as follows: first set Arduinos Pin 0 to HIGH for 2 secs to power it on and set it to LOW. then set Pin 1 to HIGH for 500ms and to LOW to trigger the photo. Set Pin 0 to HIGH for 2secs again and then to LOW to power the camera off.

Now we can go into charging mode by setting Pin 4 to HIGH for as long as we want to charge the camera.

The whole circuit is powered using an old Nokia cell phone charger and a 7805 voltage regulator to bring the voltage down to 5V.


Comments

No comments yet. Be the first!

Leave a Comment

Please sign in or create an account to comment.

Revision History

Only the circuit's creator can access stored revision history.