Created by
Created November 10, 2014
Last modified November 11, 2014
Tags No tags.

Summary

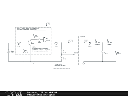
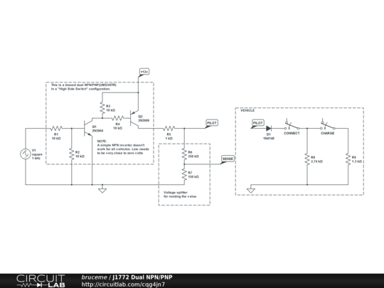
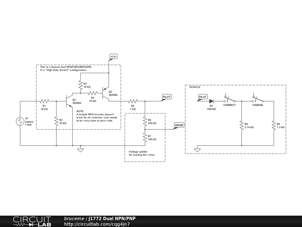
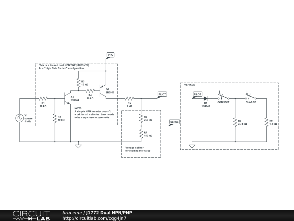
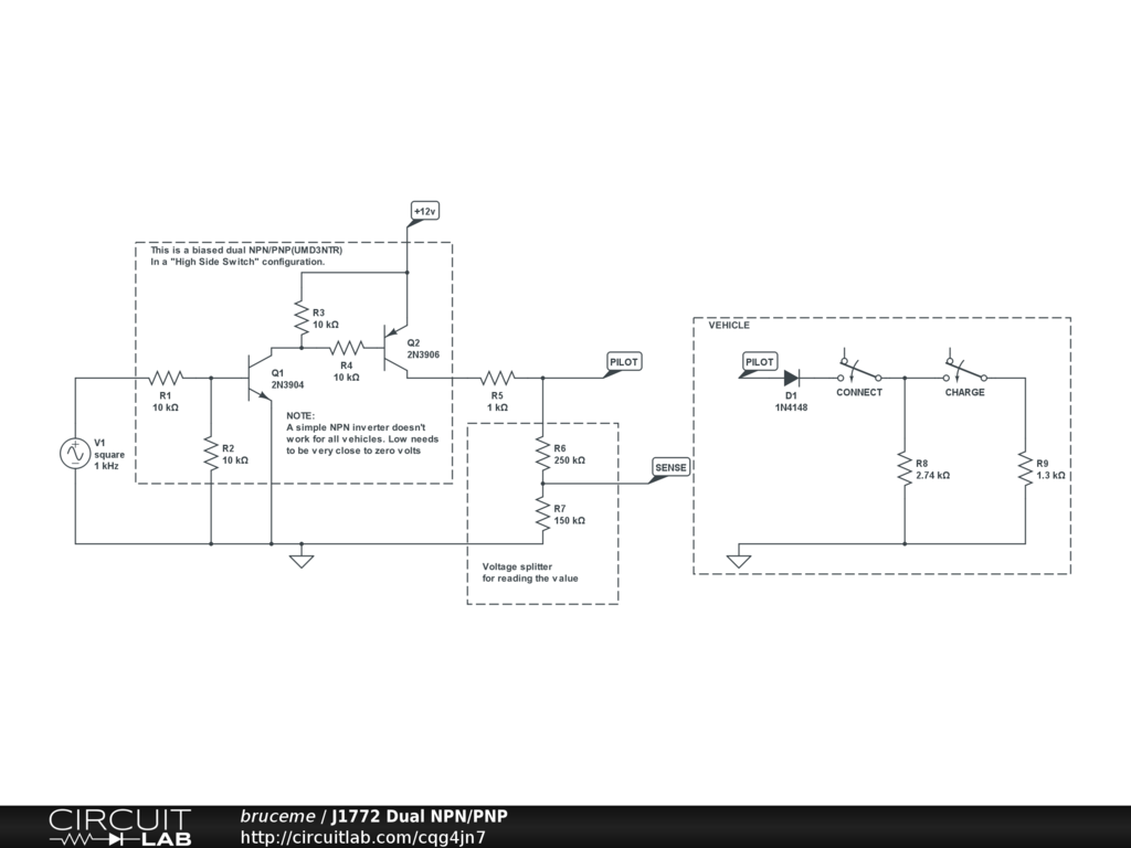
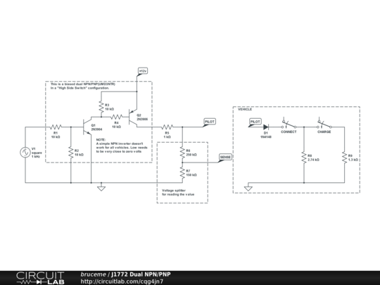
Sample J1772 EVSE driver circuit with simulation; uses a dual NPN/PNP to drive the switching.


Description

Not provided.


Comments

No comments yet. Be the first!

Leave a Comment

Please sign in or create an account to comment.

Revision History

Only the circuit's creator can access stored revision history.