Created by
Created July 02, 2025
Last modified January 08, 2026
Tags 20w-practice-amp  

Summary

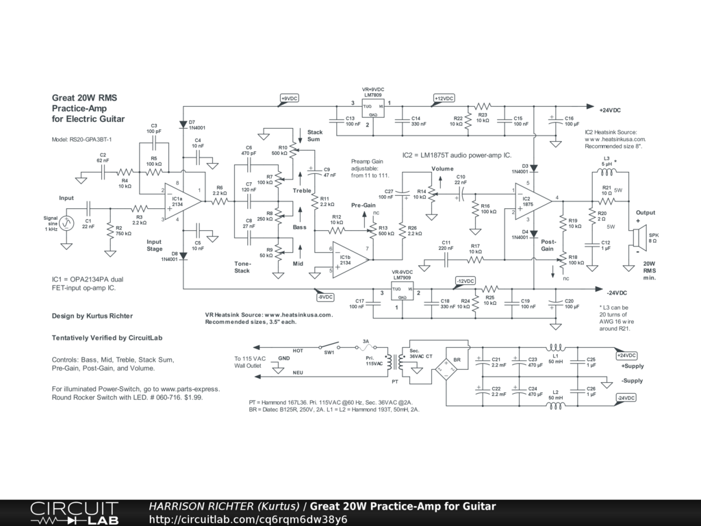
Great 20W RMS Practice-Amp Circuit for 6-String Guitar


Description

Great 20-Watt RMS practice-amp circuit for 6-string electric guitar. Controls Include: Bass, Mid, Treble, Stack Sum, Pre-Gain, Post-Gain, and Volume. No fuzz, distortion, or other effects. Range at or above 0 dBV for IC1 with all controls at 50% is from 130 Hz to 1.3 kHz, while 63 Hz is down by -12 dBV and 10 kHz is down by -4 dBV. Yet, turning all C1 controls past 50%, increasing overall gain, also expands bandwidth in both directions. For instance, at 75%, range it from 63 Hz to 4 kHz, while 100% results in 40 Hz to > 20 kHz. However, IC2 provides additional gain, up to +22 dBV extra, which also expands bandwidth. So,. the circuit is suitable for 6-string electric guitar in standard tuning. Maximum gain for IC1, at the input of IC2, is only +8.7 dBV @ 400 Hz with all controls at 50%, or as much as +48.9 dBV @ 630 Hz with all controls at 100%; more than enough to overdrive IC2 [Do not use the circuit will all controls at 100% except as a brief worst-case test while breadboarding.] The power-supply shown in the diagram. Though verified by simulator, consider the circuit experimental in nature. Breadboard test it before committing to a soldered build. And house in a grounded metal enclosure, to prevent EMF interference. The speaker should be an actual guitar-speaker rated 20-watts RMS or greater, with 8-ohms of impedance (though IC2 will tolerate a 4-ohm load). A good source for speakers is htps://www.parts-express.com . Example: Celestion model 10-30, 10", 30W, 8-ohm. # 294-2472. $49.50.


Comments

No comments yet. Be the first!

Leave a Comment

Please sign in or create an account to comment.

Revision History

Only the circuit's creator can access stored revision history.