Created by
Created March 19, 2012
Last modified August 27, 2012
Tags 2_3_4-wire-configuration   rtd   sensors   wire-compensation  

Summary

2/3/4 wire RTD circuit with wire compensation


Description

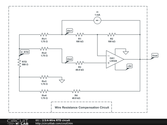
Circuit for RTD measurements using an excitation source and a LM324 op-amp for wire compensation.

In fact, any resistive sensor can be measured with the above circuit, producing very accurate results independent the cable length from sensor to measuring device.

  • Simulate cable length by choosing an OHM value the RW1, RW2, RW3 and RW4. This value has to be equal for all the RW resistors (aka equal cable lengths). Try to lower or increase the values and estimate the output voltage (VOUT). In all cases VOUT should be equal to the RTD*10-3, as long as the current source is set to 1mA.

  • Simulate a 2 wire RTD sensor by setting the RW1 value to zero and by deleting the lower circuit branch containing RW4 and R4. Check how the wire length affects the VOUT.

  • Simulate a 3 wire RTD sensor by deleting the lower circuit branch containing RW4 and R4. Check how the wire length affects the VOUT.

The above circuit has been used in the RTD shield project, to introduce 4 channel 2/3/4 wire RTD measurements.

references:
1. Resistance thermometer - Wikipedia
2. 4x Multiplexed RTD Temperature sensor module - OpenEnergyMonitor
3. Howto Measure RTD (Resistance Temperature Detectors) over long distances - Your Electronics Open Source


Comments

This is awesome. Thanks!

by RogerFL
August 29, 2012

I could not figure out from your "simulate a 2 wire" bullet exactly which lines were the leads to the sensor so by trial and error I stumbled upon this modification that seems to represent 2-wire. It gets a different result than your instructions, but the Vout looks usable. Is this right?

by RogerFL
August 29, 2012

Thanks for your comments RogerFL. The 2-wire circuit you got it's right. Thanks for the correction, I'll make the change in my description. Now, let's take a look at your circuit. In case the RTD ohm value equals 580 you get a Vout of 583.35 mV which seems usable in the first sight. So, let me choose a value inside the RTD sensor range, e.g 100 ohm which is the resistance of the sensor at 0oC. So, 100 ohm value for RTD yields a value of 103.5 mV for Vout. As long as we feed the sensor with 1 mA, we get 103.5 ohm for RTD instead of 100 ohm. If we take a look at a RTD resistance vs Temperature table, we'll see that instead of reading 0oC we read 9oC. This not acceptable for most applications (maybe all!). It's very common to measure temperature within a range of +/- 0.1
Well, some times +/- 1 or a little more is acceptable. It depends from the application. But 9 degrees is clearly not an option. In conclusion, is a 2-wire RTD sensor useless? Well, as long as you keep the sensor distance from the measuring device short enough, the answer is... no. Remember that the wire resistance is set at 1.71 ohm. This means, A LOT of wire. So, you can try to figure out which is the max wire length to get acceptable readings from your 2-wire RTD sensor.

by t81
August 29, 2012

Leave a Comment

Please sign in or create an account to comment.

Revision History

Only the circuit's creator can access stored revision history.