Created by
Created October 09, 2013
Last modified December 11, 2014
Tags dc  

Summary

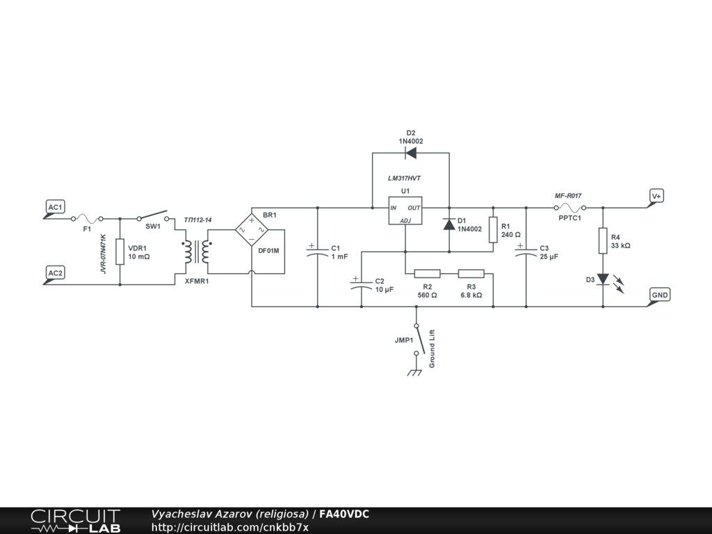
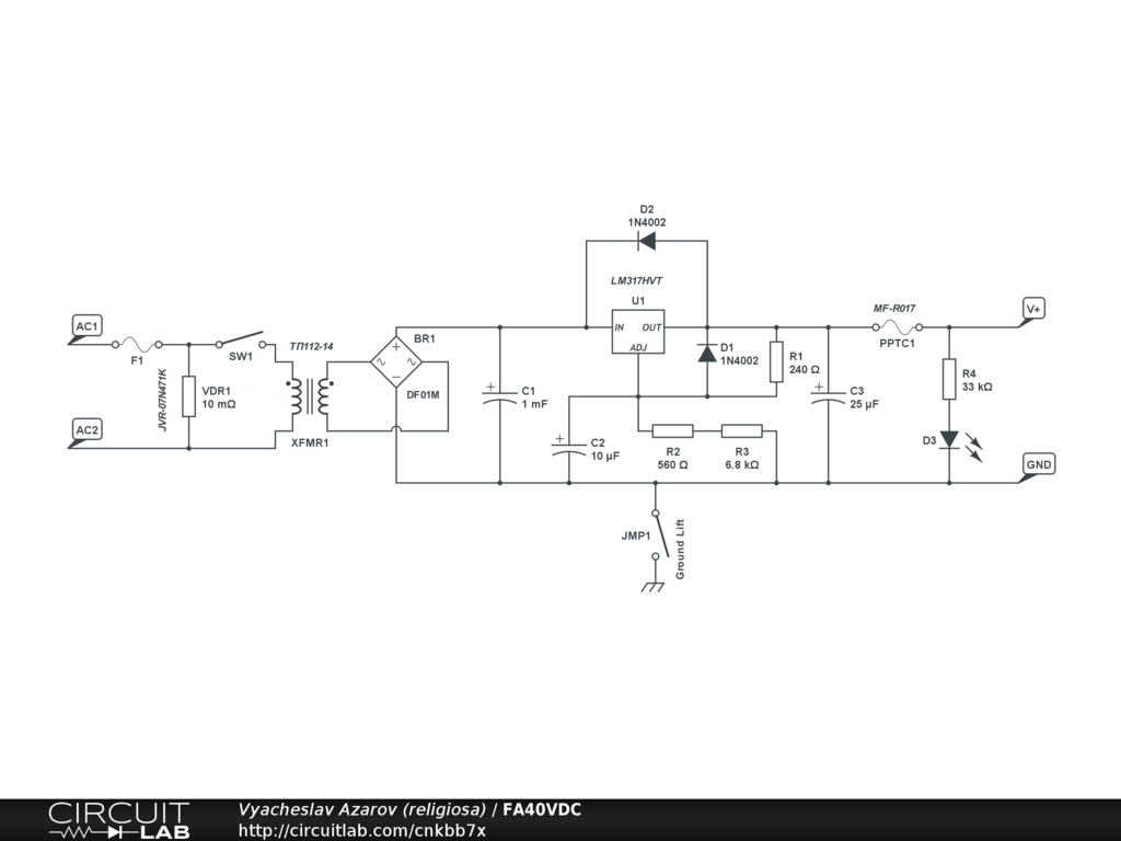
DC power supply for EHX Frequency Analyzer and similar devices.


Description

Simple power supply for some EHX guitar pedals, requiring 40 VDC 100mA, such as "Frequency Analyzer", "White Finger". LM317HVT is capable to provide up to 1.5A, so real limiter in this schematic is transformer (or technical, PPTC that should be chosen correspondingly). My own variant is based around Russian "ТП1212" (tp1212) — it has two secondaries, 24 volts each, so they should be connected in series, to achieve required voltage — with maximum current through them 0.4A. So I choosed 0.3A PPTC just to be sure, that everything is safe.

All capacitors electrolytic, rated for 63V, all resistors - 0.5Wt, 5% carbon.

Be extra carefull when working with mains, someone maybe killed or injured, if not using caution.


Comments

No comments yet. Be the first!

Leave a Comment

Please sign in or create an account to comment.

Revision History

Only the circuit's creator can access stored revision history.