Created by
Created October 23, 2012
Last modified November 23, 2012
Tags No tags.

Summary

Not provided.


Description

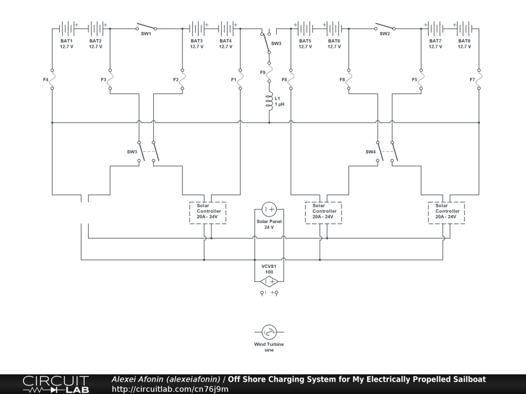
I'm not an electrical engineer, however, I manage to put an electric propulsion in to my 30' sailboat. After solving numerous problems, my last one is "Off Shore Charging System". I found out that Solar Charge Controllers are not that expensive and decide to use one for each pair of my 8 deep cycle marine batteries. In other words, between 1 - 400W/24V Wind Turbine, 1 - 100W/24V Solar Panel, 1 - 600W to 800W Wind Turbine Charge Controller connected parallel to 4 - 20A/24V Solar Charge Controllers, I think I might have a pretty good charging system. Just connected the right side, still need to see if it works.


Comments

The "Solar Charge Controllers" need their "Inputs" electrically isolated from their "Outputs".
You've done an excellent job thinking through this circuit.
Just an idea, the motor speed control would be more efficient if you use a "PWM" controller.
Charging all batteries at the dock will challenge their circuit breakers.

by Optionparty
November 18, 2012

Hi Carl. Thank you for your reply. I like what you said in your bio "Experience, is what's left when the money is gone". Anyway, the Solar Charge Controllers are PWM, here is the photo:

http://i.ebayimg.com/t/Solar-Charge-Controller-Street-Light-Regulator-12V-24V-Autoswitch-10A-20A-30A-/00/s/NjAwWDYwMA==/$(KGrHqV,!nkFB(ZbpPYNBQYV4o)tTw~~60_3.JPG

Two question: first, I'm not sure what you mean by "Charging all batteries at the dock will challenge their circuit breakers". I have three chargers "Minn Kota 315D" two of those with 3 banks and one with two. Here is the photo of the three bank one:

http://i.ebayimg.com/t/Minn-Kota-MK-315D-On-board-Marine-Charger-3-Bank-x-5A-/00/s/NjAwWDYwMA==/$(KGrHqV,!rUE-l,ewkBYBPs+ByDObw~~60_3.JPG

They all seem to work fine charging batteries even don't burn any fuses even when under load connected in serial. I tried to fallow that principle with solar chargers, but they seem to blow the fuse when I connect the two "two sets" together and current becomes 48V instead of 24V. Two, I'm not quite understanding what you mean by "The "Solar Charge Controllers" need their "Inputs" electrically isolated from their "Outputs"." May be you can draw me a diagram? Thanks' again for your time and advise.

by alexeiafonin
November 18, 2012

Closing switch 1 or 2, putting a battery banks in series. You are also putting the "Charge Controllers" in series.

"Inputs" electrically isolated from their "Outputs".
If the outputs to the batteries share a wire from the input, you are essentially shorting a 24v set of batteries through that common wire, only through the next "Charge Controller". That would cause one of the fuses to burn out.

by Optionparty
November 18, 2012

I see it now. Thank you Carl, I feel stupid not to see such a simple problem. I'll work on resolving it. You see, your "Second Solution" with a DPDT switch is definitely the right way to do it, the problem I have with it are the diodes. When I measure them, they don't seem to let the current in one direction and stop in the other, may be I'm using the wrong type? Anyway, with multiple solar chargers, I might not need them, a DPDT switch might do the job. I'll work on a diagram and send it to you. Thank you again for your time.

by alexeiafonin
November 19, 2012

You can test if the "Solar Charge Controllers" were the cause of a short in either of two ways.

Test 1
With no power connected to two Charge Controllers,
Connect their Inputs in parallel.
Using an Ohm meter, measure any resistance between the "Positive Output" of one unit, to the "Negative Output" of the next. if less than "Open" it will draw current when hooked in series.

Test 2
With two Charge Controllers Inputs connected in parallel.
Outputs "Open" (disconnected from the circuit), measure any voltage between the "Positive" of one unit, to the "Negative" of the another, with the remaiming two leads "Open".

by Optionparty
November 19, 2012

How about this? Look at the main diagram. Do you think isolating just one Sollar Controller is enough?

by alexeiafonin
November 19, 2012

Diode testing;
Some meters have a "Diode" test position.
Otherwise, internally the meter may not have high enough voltage to overcome the forward bias of the diodes.

Easier to test with a light bulb tester. Make sure the light bulb has high enough voltage rating, or it will burn out. Two of the same size bulbs hooked in series may work out well.

by Optionparty
November 19, 2012

The SPDT switches for SW1 & SW2 may work.
Give it a try, fuses are cheap enough.

When the batteries are switched to being in series,
you will have 48 volts across two "SCC" units.
Even with one output wire "Open", this may short.

Try it without buying / installing a switch and see.

by Optionparty
November 19, 2012

Thank you, I will.

by alexeiafonin
November 19, 2012

Okay Carl. Here is my latest diagram. You were right, the previous way, shorted out. I changed it now, look at the diagram, it's different. I connected the right side this way, seems to be working. Of course, when SW2 is on, SW4 is off and vise versa. I'll go check on it in a day or two, see if the fuses are still holding and batteries are charged. I did blow about a dozen fuses by now and fried 3 Solar Charge Controllers. Do you think I need to put switches by F6 and F7? I really don't want to, the more switches, the more chance to make a mistake to switch them on or off in a wrong order or leave them on together. As usual, thank you for your time and expertise.

by alexeiafonin
November 20, 2012

Try this

by Optionparty
November 21, 2012

Thank you Carl. So you suggest I completely isolate each Solar Charge controller when charging and completely disconnect them when the system is under load?

by alexeiafonin
November 21, 2012

... and "4PDT" has to handle 100A at 24V?

by alexeiafonin
November 21, 2012

Yes, because you would need switches added to
F1, F4, F6, F7 to prevent a pair of "Solar Controllers"
from killing each other.

Charging batteries under load, would put to high of load on the "Solar Controllers", and they may overheat, or at least pop their fuses.

Having two banks of batteries, means that where ever you go, you should be able to switch banks and return.

The 4PDT, 1PDT(a/b), and the SPST(on/off) switches will all need to handle the 100 amp load you are expecting.

It may look like I have put in two extra 100A fuses, but I believe in fusing switches, for added safety.

by Optionparty
November 21, 2012

Hi Carl. Thank you so much for all your help. I did the wiring just the way you designed it in your diagram and it seemed to work good. The only thing is that I don't thing my Wind Turbine is charging my batteris. I drew an addition to your diagram on the right hand side. Tha Amp Guage shows only 3-4 Amps that's Solar only. May be because I'm going through 2 charge controllers (one wind and one sollar) somehow the wind one thinks the batteries are charged and stops the flow?

https://www.circuitlab.com/circuit/2k9pp6/circuit-lab-wind_solar-charging-for-8-batteries/

I hope this diagram shows up.

by alexeiafonin
March 06, 2013

What is the output voltage (with no load)
of the Solar controller and the Turbine controller ?
The turbine controller may be a load controller,
to dump excess power. With that many batteries,
you should not need a "Dump" load resistor.
If that is the case,
your Solar charge controllers regulate the output voltage to the batteries.
Check to see if your wind turbine outputs AC
or is rectified DC.

by Optionparty
March 06, 2013

Thank you so much for your reply. I've been struggling with this for some time now. I even got the 2nd turbines, thinking one might be faulty. The output voltage is suppose to be 24V for each turbine and solar (I guess with no load). I measured it and it is about right, depending on the wind and sun. The voltage of the turbine is definitely AC. It has 3 wires coming out; one blue, one red and one I think white. The wind controller input is 24VAC and output 24VDC The type of wind controller is: GUDCRAFT CD5.0 500W FOR WIND GENERATOR TURBINE, I got in on ebay. Could you see the new diagram?

by alexeiafonin
March 06, 2013

Hi Carl. Haven't heard from you in a while. Do you have any suggestions for me? As far as dumping electricity for the wind turbine, it seems that wind turbine charge controller activates the brakes in the turbine and when the batteries are charged, the turbine just doesn't spin, even in the strong wind.

by alexeiafonin
March 08, 2013

I'm still researching.
I've not forgotten you.

by Optionparty
March 08, 2013

Thank you.

by alexeiafonin
March 08, 2013

Hi Carl. How is it going? Did you find the cure to my problem yet?

by alexeiafonin
March 19, 2013

Not yet. I'm thinking that you are right, the Wind controller Output is seeing the Solar Cell output as a charged battery, and not adding it's current.
I am seeking conformation and a solution.
A simple test would be to cover the Solar array from Sunlight while a good wind is blowing, and view the results.

by Optionparty
March 19, 2013

I did that already. A strange thing happens. You see, when the batteries are fully charged, the wind charge controller activates the brakes in the wind turbines and they don't spin. When the batteries need charging, the controller releases the brakes and the turbines spin. But that's not what's strange, what is strange is that it does that, but my amp meeter is not registering any amperage being drawn. Between the two wind turbine at 400W-24V max and a 100W-24V solar panel, I should be getting 900W, that is 37A. My amp meeter, on the bright, sunny, windy day, at noon, in Florida, shows 2A. I suppose I can connect wind controller directly to the battery through the Amp Meeter and see what the meeter will show, because I think as long as the solar controller is on at all, the wind one thinks the battery is charged, but then, why does it releases the breaks when the batteries need charging? May be the Amp Meeter is not suppose to show any Amps because the current is being forced into the batteries? I don't know, that kind of sounds stupid.

by alexeiafonin
March 19, 2013

I don't know if it makes any difference, but I put the Amp Meeter slightly in the wrong place in the diagram. It's not where it really is. If you can give me your regular email, I can send you a jpg of the updated diogram. The Circuitlab Editor takes too long to open on my autdated Power Mac.

by alexeiafonin
March 19, 2013

Carl T. Knox
kb0ebg@juno.com
Also do you have a Digital Voltmeter ?

by Optionparty
March 20, 2013

Yes I do and a pretty fancy one. It also measures Amps, up to 20 DC. Thanks' for the email.

by alexeiafonin
March 20, 2013

I hope I'm not driving you crazy. I was on my boat today, ran some tests. By the way, in my new diagram, where there is +, it's actually -, I made a mistake in the diagram. Anyway, I disconnected the solar panel, the wind was blowing, my installed amp meeter wasn't showing anything, but when I put my hand-held amp meeter between the + of the battery and + of the solar controller on the output side, I saw amps. Not much, my digital amp meeter, when set on 20ADC showed from 0.07 to 0.27 depending on the strength of the wind. I'm not sure if it was 7A and 27A or under one amp. I'll try to refer to the manual of the meeter. So, it might be working. My next test, after I install my last 2 batteries, I have 12 now, to run them down to about 2/3, then see how fast they charge beck. Therefore, my conclusion from today, is that I might of put my amp meeter in the wrong place. What do you think?

by alexeiafonin
March 20, 2013

You never sent me the new diagram.

by Optionparty
March 25, 2013

Yes I did, I'll do it again.

by alexeiafonin
March 26, 2013

The third character is a "Zero" not an "o".
Maybe that was the problem.

by Optionparty
March 26, 2013

Oh, okay, may be that's the problem. I compied and pasted though. I'll try again now.

by alexeiafonin
March 26, 2013

I just sent you a test. Let me know if you got it.

by alexeiafonin
March 26, 2013

Re; Digital ampmeter, measure the Wind Controller to Battery. Without going through the "Solar Controller".

by Optionparty
March 27, 2013

Did you get my test or the diagram? I also just sent you the lates version of my diagram with some text.

by alexeiafonin
March 27, 2013

Sorry, I'm not quite understanding what you mean: "Digital amp-meter, measure the Wind Controller to Battery. Without going through the "Solar Controller". Did you mean this is how it is now, or how it should be?

by alexeiafonin
March 27, 2013

I'm not comming up with any answers.
Since the "Wind Controler" mfg.
also makes a "Solar Controler",
they may have already addressed this conflict,
maybe another type of controler would solve this.
Contact them. I would be interested in their answer.

by Optionparty
April 14, 2013

Leave a Comment

Please sign in or create an account to comment.

Revision History

Only the circuit's creator can access stored revision history.