Created by
Created September 30, 2018
Last modified September 30, 2018
Tags No tags.

Summary

Not provided.


Description

Not provided.


Comments

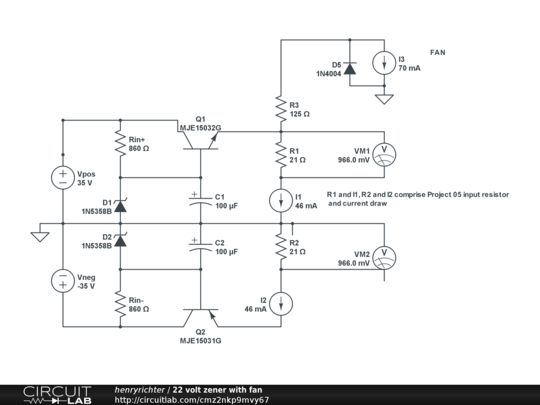
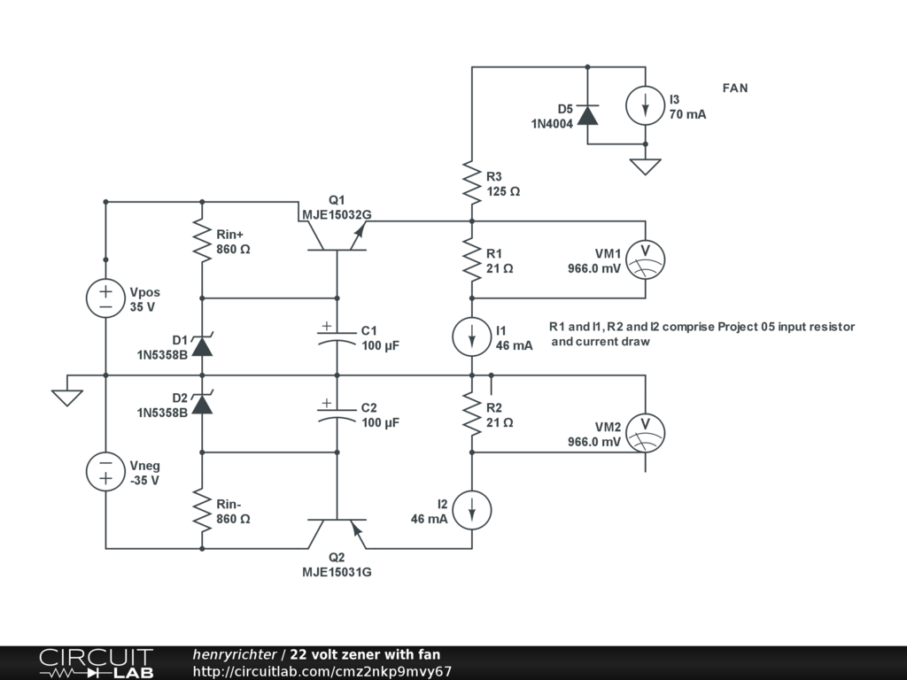
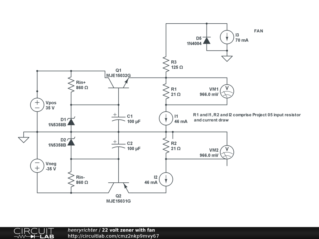
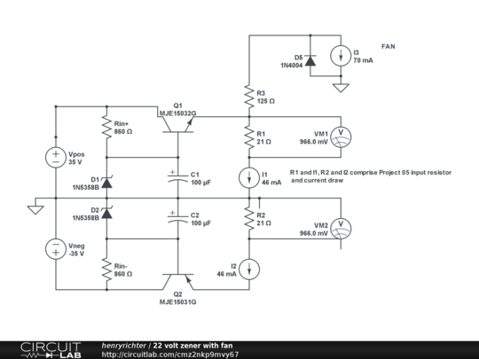
this design is to power a 15V+/- power supply PCB and a 12 V fan, stepping down the voltage from the filter caps supplying 35V DC ( for the power amp board). The zeners are 22V. The 15+/- volts will power the preamp board, with a measured draw of 46 mA. The fan draws 70mA. The goal is to cool down the LM317/337 regulators, which now to deal with 35V DC

The entire project is a 4ch integrated amp using Elliott Sound Products PCBs (p127,p88,p33,p39,p05)

by henryrichter
September 30, 2018

Leave a Comment

Please sign in or create an account to comment.

Revision History

Only the circuit's creator can access stored revision history.