Created by
Created March 04, 2013
Last modified March 07, 2013
Tags coupe   genesis   hyundai   viper-door-lock-diagram  

Summary

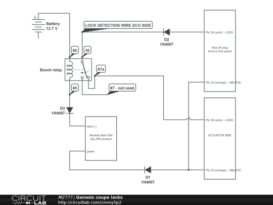
Trying to figure out a way to isolate current from going to BCM. If you find an error, please let me know.


Description

Not provided.


Comments

No comments yet. Be the first!

Leave a Comment

Please sign in or create an account to comment.

Revision History

Only the circuit's creator can access stored revision history.