Created by
Created May 13, 2013
Last modified May 13, 2013
Tags 3-phase   unbalanced  

Summary

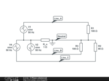
Example of 3-phase star-connected, unbalanced load.
Run the time domain simulation to see the neutral current (through R_n).


Description

Not provided.


Comments

No comments yet. Be the first!

Leave a Comment

Please sign in or create an account to comment.

Revision History

Only the circuit's creator can access stored revision history.