Created by
Created September 27, 2012
Last modified September 30, 2012
Tags brake-light   can-bus  

Summary

Simple bike enhancement (Markobaldo)


Description

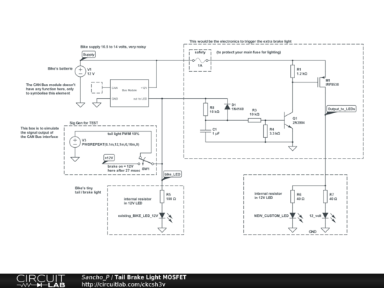
Problem: A motorbike's brake light seems to be too weak. Simply paralleling other LEDs may not work because the bike is equipped with a CAN Bus module to engage (and monitor) the tail / brake light.

The LED for the original tail- and brake light is one and the same !

The dotted box below the (symbolic) CAN bus module delivers the signal which originally comes out of the CAN bus module:

A PWM signal (square wave 12 volts) for the tail light and the switch from the bike’s brake for 100 % light (here: automatically after 27 msec).

The big dotted box contains the electronics you may need.

This circuit is designed to access the tail light / brake light signal from the CAN Bus module which is (hopefully) a PWM signal of about 100 Hz and 10 % duty cycle (*) for the tail light, and 100 % when the brake light is needed.

(*) Assumed, I don’t know about your bike’s signal.

Try the Time-Domain simulation to see the PWM (tail light) and the brake coming in at 27 msec.

Warning! Do not modify your bike's lights without consulting your dealer!


Comments

No comments yet. Be the first!

Leave a Comment

Please sign in or create an account to comment.

Revision History

Only the circuit's creator can access stored revision history.