Created by
Created August 05, 2025
Last modified August 12, 2025
Tags No tags.

Summary

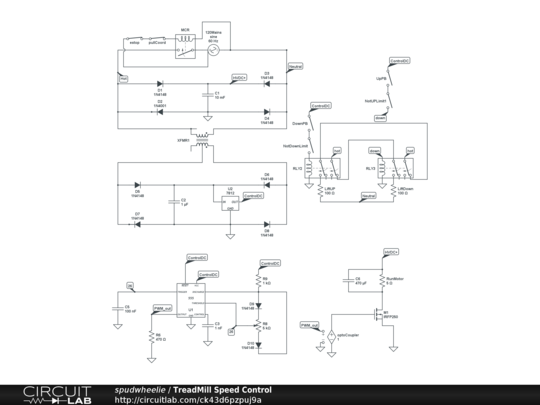
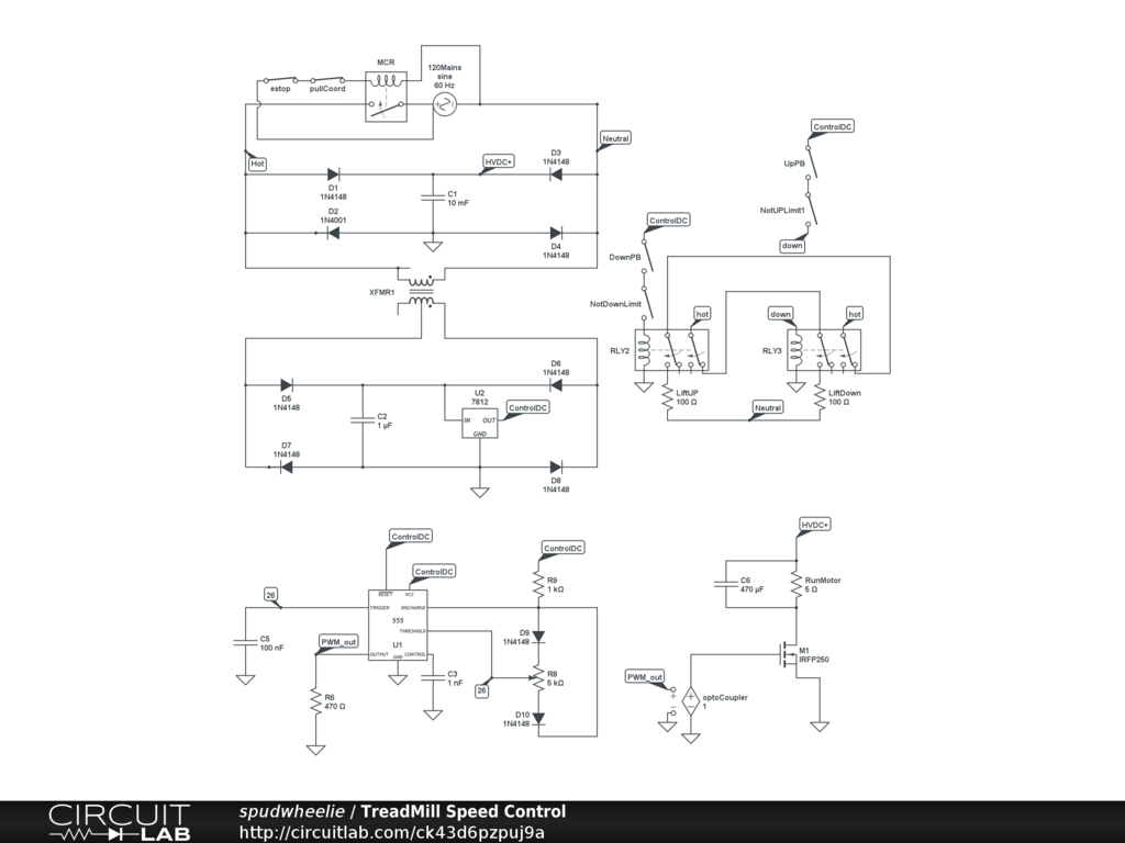
Restoring a broken down treadmill with a DIY motor controller


Description

Not provided.


Comments

No comments yet. Be the first!

Leave a Comment

Adding comments has been disabled for this circuit.

Revision History

Only the circuit's creator can access stored revision history.