Created by
Created March 09, 2013
Last modified March 10, 2013
Tags No tags.

Summary

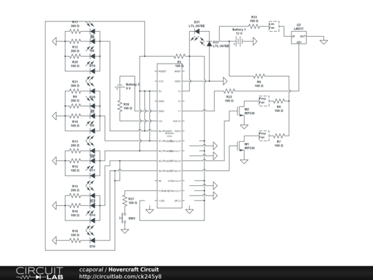
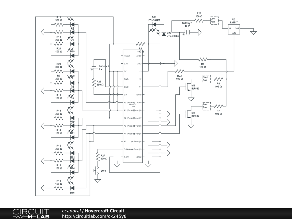
Servos (dig 5/6)/IR Sensors (Dig 7/8) are not given icons in this program.
Triangles are common ground.


Description

Not provided.


Comments

No comments yet. Be the first!

Leave a Comment

Please sign in or create an account to comment.

Revision History

Only the circuit's creator can access stored revision history.