Created by
Created January 16, 2013
Last modified January 29, 2013
Tags No tags.

Summary

Not provided.


Description

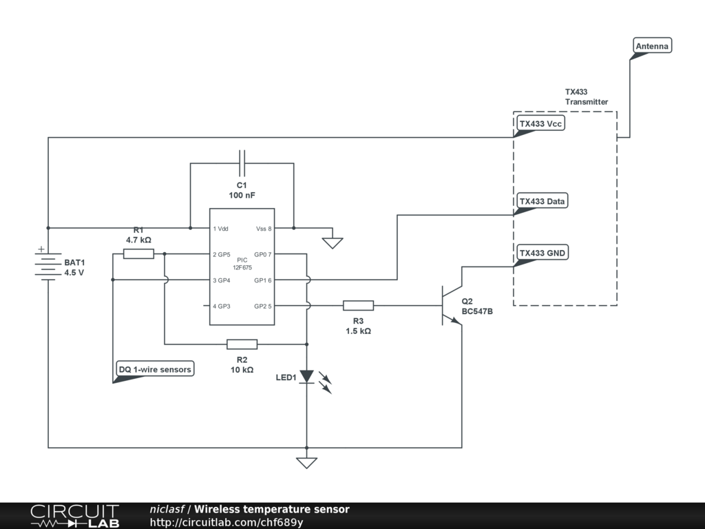
Wireless temperature sensor.


Comments

No comments yet. Be the first!

Leave a Comment

Please sign in or create an account to comment.

Revision History

Only the circuit's creator can access stored revision history.