Created by
Created March 06, 2012
Last modified March 07, 2012
Tags No tags.

Summary

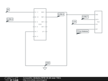
Sends RFID tags scanned by the ID-20 over the TXC1 using VirtualWire

More info at http://www.humpadilly.com/?p=57


Description

Not provided.


Comments

No comments yet. Be the first!

Leave a Comment

Please sign in or create an account to comment.

Revision History

Only the circuit's creator can access stored revision history.