Created by
Created February 28, 2012
Last modified February 29, 2012
Tags No tags.

Summary

Not provided.


Description

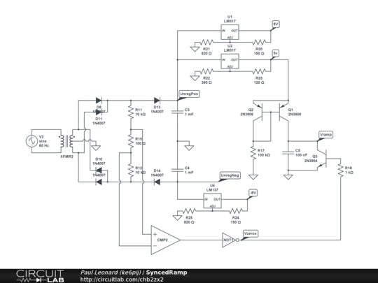
This is my first circuit here to test the tools provided here. Great idea, but more parts are needed (triacs, diacs, opto-isolators, Instrumentation amplifiers to name a few).

This circuit provides; +/- 8V unregulated power, Zero crossing detection of the AC main power, and a 0-4V linear ramp that is synchronized to the zero crossings. To view simulation time step needs to be at least 50us, suggest stop time is 32ms. To remove graphing artifacts try zooming in on a few cycles. Greater accuracy of ramp capacitor discharge needs 5us step which will take about 30 minutes.

The bridge rectifier provides full wave positive and negative power. Diodes D13 and D14 isolate this from the capacitors so that zero crossing detection can be performed. The comparator samples the difference between the full wave signals, and at zero crossing the difference is less than that which the comparator sees as out of range, so it provides a low pulse. This is then inverted and fed to the base of a discharge capacitor for the ramp generator. (The comparator could have the inputs reversed and eliminate the inverter, however, in my real world circuit this is an instrument amplifier followed by a Schmitt trigger inverter to clean and narrow the pulse.)

The Ramp is formed by a constant current source. Current through Q2 is set by the supply voltage and R17. The base voltage is shared with Q1 so it will pass the same current. Since this constant current is fed to a capacitor, the capacitor will charge in a linear fashion instead of the characteristic charging curve.

During the zero crossing pulse, Q3 will short the capacitor to ground and sink more current than Q1 can supply. Q3 must sink enough current to fully discharge the capacitor in the short width of the pulse in addition to sinking the current from Q1.


Comments

No comments yet. Be the first!

Leave a Comment

Please sign in or create an account to comment.

Revision History

Only the circuit's creator can access stored revision history.