Created by
Created June 22, 2014
Last modified May 03, 2015
Tags No tags.

Summary

Not provided.


Description


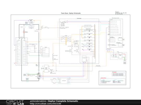
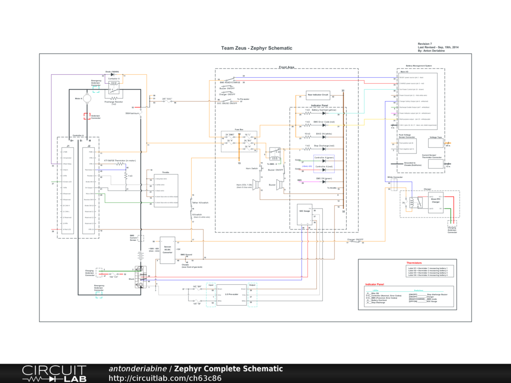
September 19th, 2014 - Revision 7 - Anton

Corrected position of BMS charge/ready in indicator panel (bottom-left corner).


August 23rd, 2014 - Revision 6 - Anton

Modified SOC Gauge wiring to match what is on the bike, by running only 1 wire instead of 2 to the cutoff switch for the gauge.


August 21st, 2014 - Revision 5 - Anton

Added the 2A fuse for the SOC gauge to reflect what we are doing on the bike.


August 20th, 2014 - Revision 4 - Anton

Began to significantly modify circuit by: adding #'s to wires (not nodes in certain cases), optimizing component placement to best reflect actual circuit, adding a switch to cut power to the SOC gauge.


August 10th, 2014 - Revision 3 - Anton

Moved charging cables (red & green, size 4, to charger) into their accurate place as is on the bike.


August 10th, 2014 - Revision 2 - Anton

Corrected position of 1kohm resistor by AGNI thermistor.


July 14th, 2014 - Anton

Removed Motor/Controller B


June 24th, 2014 - Anton

Finished most of revisions to match final, actual circuit (BMS, SOC gauge, indicator panel, fuse box, stop-discharging buzzer). Needs to be double-checked.


June 22nd, 2014 - Anton

Created new sheet, began creating circuit which includes both motors (& etc.). Began adding BMS, SOC meter.


June 3rd, 2014 - Anton

Updated throttle to match the Domino throttle (added leads for micro-switch), added text specifying wire colours in killswitch, moved +in of dc-dc converter to before the fuse, since we want the controller and electronics to remain on if the main power fuse burns out.


June 2nd, 2014 - Anton

Updated circuit to match exact switches, etc. purchased. Still to update: rear blinking circuit.


April 9th, 2014 - Anton

2014 race regulations have been posted: http://emotoracing.com/rules/

Removed: Rear killswitch, precharge isolation, controller/contactor delay, discharge circuit, moved spec sheet to separate document.

Added: On indicator light visible to Tim, replaced motor symbol with proper.


March 28th, 2014 - Anton

Removed emergency contactor, confirmed chassis will be grounded.


March 16th, 2014 - Anton

Added RC time-delay circuits, modified killswitch arrangement.


March 12th, 2014 - Anton

Mod: Began using this 'revision history' record. Please use this as a template and note any changes you make to the circuit. Added "emergency contactor" - need to add RC time-delay networks.


Comments

No comments yet. Be the first!

Leave a Comment

Please sign in or create an account to comment.

Revision History

Only the circuit's creator can access stored revision history.