Created by
Created January 17, 2026
Last modified January 17, 2026
Tags No tags.

Summary

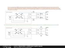
An easy upgrade to this power supply. Remove 4 components & add 4 more.


Description

A guitarist friend of mine asked me to take a look at his Peavey Artist amp that cut out on him a few times. It turns out that the +500 volt supply line to his tube PCB was a cold solder joint (I pulled it out with ease). I resoldered it & that problem was gone, however I noticed that a pair of 22uf electro caps for the +/- 15 volt supplies for the electronics were roasted. Even though they checked ok I replaced them. But while testing the amp after its original defect I found that the 2 zeners nestled in between these 2 electro caps were so hot that I couldn't keep my fingers on more than 5 seconds. Not wanting to have to deal with this in the future, I decided to upgrade it to using a '7815 & '7915 with heatsinks. I had to drill a few holes in the traces & clean them up for soldering & mounting went well. I did have to modify both regulator output pins to include a soldered wire (heatshrink on the joint) to land them at their normal end destinations. No more roasted components with body temps running <32 degC after 2 hours!


Comments

No comments yet. Be the first!

Leave a Comment

Please sign in or create an account to comment.

Revision History

Only the circuit's creator can access stored revision history.