Created by
Created October 27, 2012
Last modified October 27, 2012
Tags No tags.

Summary

Not provided.


Description

Not provided.


Comments

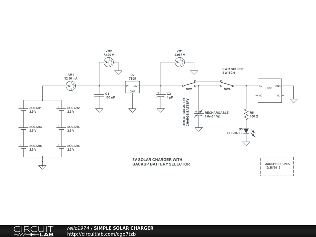
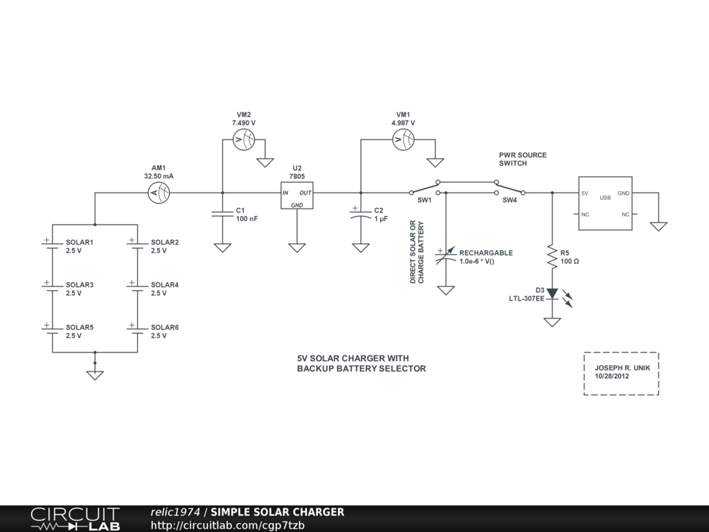
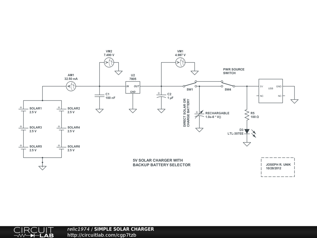
Plan on building this out of 6 decorative yard LED lamps for cheap 2.5V solar cells and the solar batteries x 6 = 9V worth of AA's

by relic1974
October 27, 2012

Leave a Comment

Please sign in or create an account to comment.

Revision History

Only the circuit's creator can access stored revision history.