Created by
Created March 14, 2013
Last modified March 23, 2013
Tags No tags.

Summary

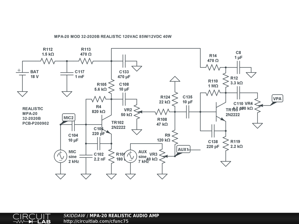
Preamp components in a Realistic 40W MPA-20 audio amplifier.


Description

Preamp components in a Realistic 40W MPA-20 audio amplifier. This 'choir' amplifier was intermittent until I brought it home, now it doesn't work at all. There might have been shorted pins on the TS7205AP's (not shown) which I 'removed' when refreshing the solder! I was trying to simulate it here to see what signal levels I might expect on the bench. Some of the capacitor values are hard to read. There is actually two MIC inputs but I've just shown one. The AUX input shares half an 80K pot (VR3) with the PHONO input so they are basically treated the same. I've no conclusion at the moment, this is just a work in progress.


Comments

The conclusion is - clean up the solder joint and component pins. I un-soldered the ten pins on each TA7205AP amplifier, lightly sanded the pins, fluxed and resolders. There was some sound but not a lot. It also jerked every now and again. The Pre-Amp supply was pulsing so I re-soldered every component in it up to the 18V supply. It is now working a treat and awaiting reassembly.

by SKIDDAW
March 23, 2013

Leave a Comment

Please sign in or create an account to comment.

Revision History

Only the circuit's creator can access stored revision history.