Created by
Created June 11, 2012
Last modified June 14, 2012
Tags No tags.

Summary

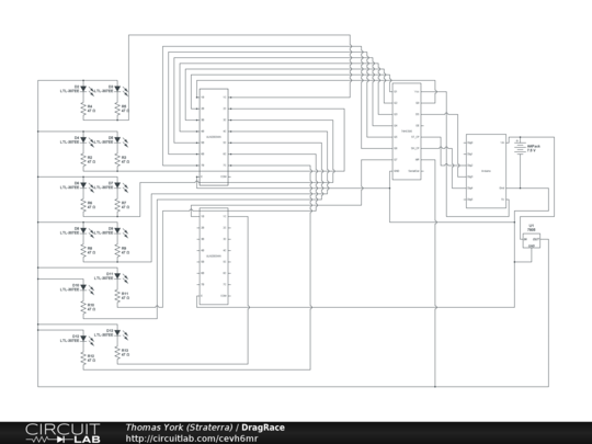
Wiring for a Drag Race game where two users try to hit their own button as soon as the light goes green. Currently missing button inputs.


Description

Not provided.


Comments

No comments yet. Be the first!

Leave a Comment

Please sign in or create an account to comment.

Revision History

Only the circuit's creator can access stored revision history.