Created by
Created June 04, 2015
Last modified June 04, 2015
Tags cmos   digital   logic-gate   xor  

Summary

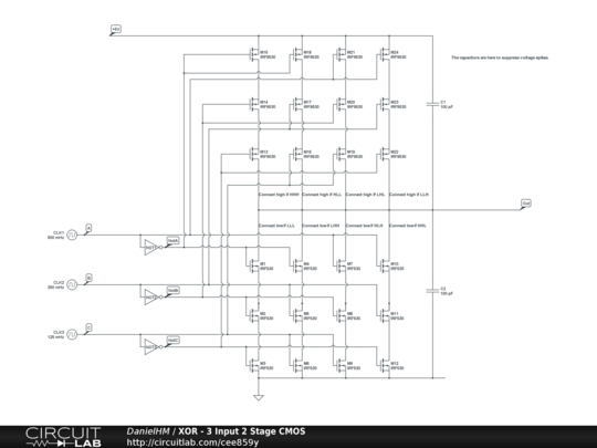
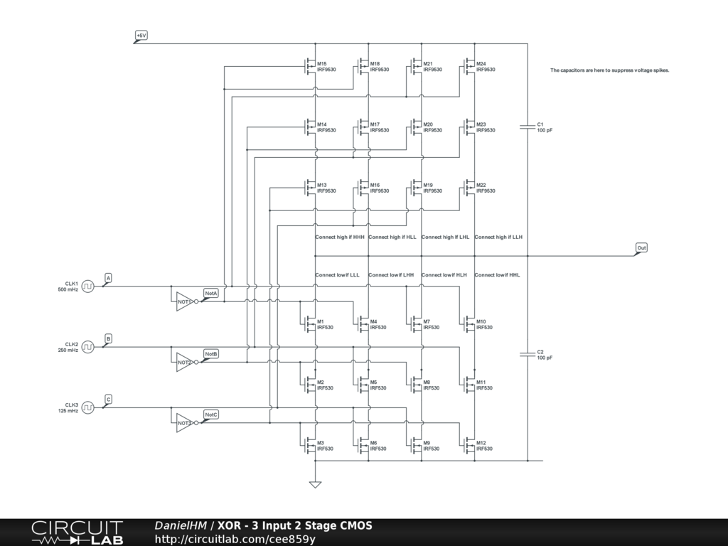
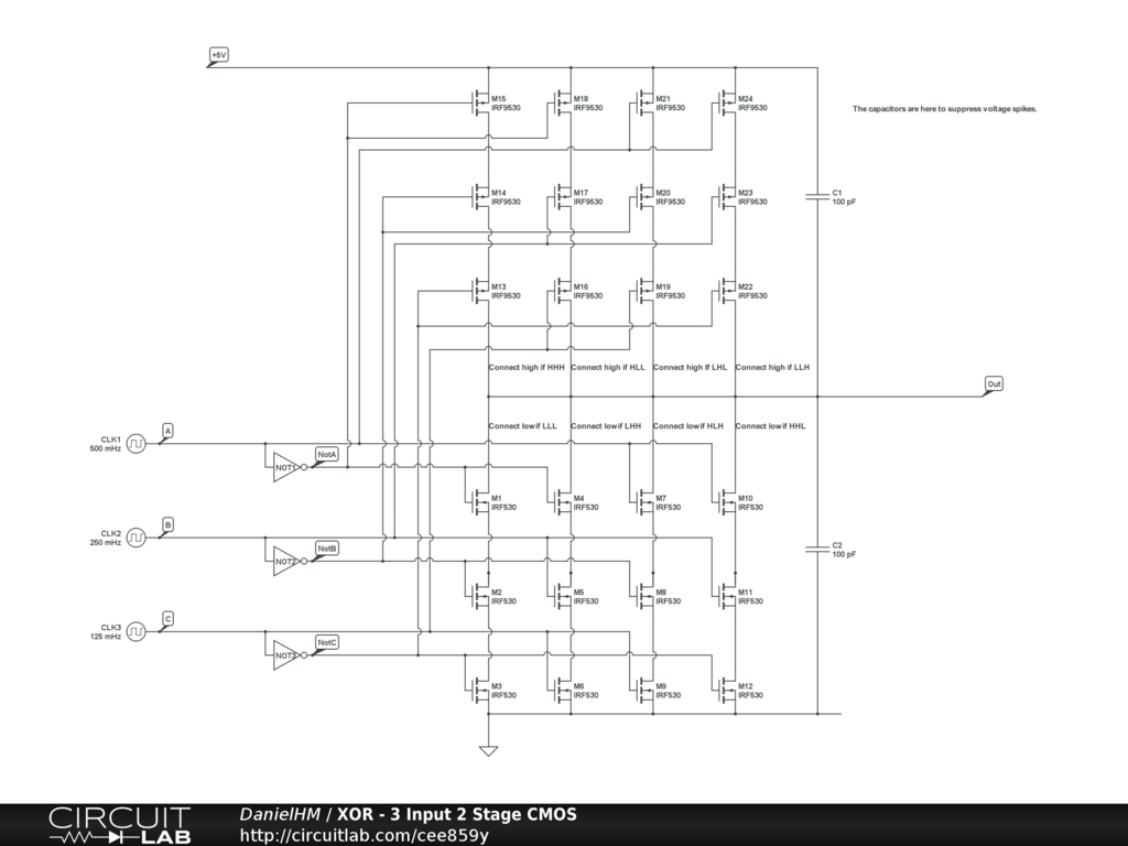
Out = A XOR B XOR C. Requires propagation through two gates (one set of gates is to generate inverted signals for the CMOS logic). Further scaling up of this type of multi-input circuit will require n*2^n transistors where n is the number of inputs.


Description

Not provided.


Comments

No comments yet. Be the first!

Leave a Comment

Please sign in or create an account to comment.

Revision History

Only the circuit's creator can access stored revision history.