Created by
Created August 29, 2012
Last modified August 29, 2012
Tags No tags.

Summary

Not provided.


Description

Not provided.


Comments

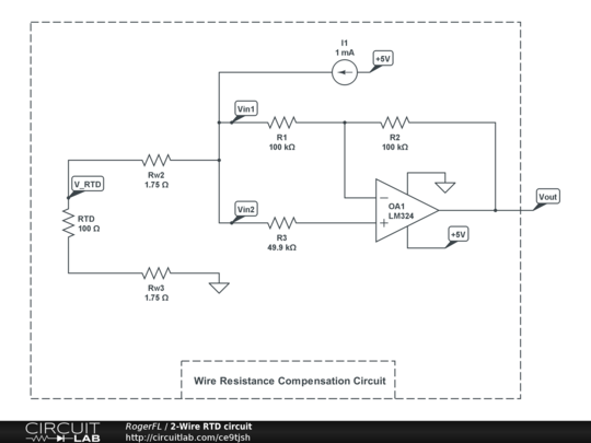
Thanks for your comments RogerFL. The 2-wire circuit you got it's right. Thanks for the correction, I'll make the change in my description. Now, let's take a look at your circuit. In case the RTD ohm value equals 580 you get a Vout of 583.35 mV which seems usable in the first sight. So, let me choose a value inside the RTD sensor range, e.g 100 ohm which is the resistance of the sensor at 0oC. So, 100 ohm value for RTD yields a value of 103.5 mV for Vout. As long as we feed the sensor with 1 mA, we get 103.5 ohm for RTD instead of 100 ohm. If we take a look at a RTD resistance vs Temperature table, we'll see that instead of reading 0oC we read 9oC. This not acceptable for most applications (maybe all!). It's very common to measure temperature within a range of +/- 0.1
Well, some times +/- 1 or a little more is acceptable. It depends from the application. But 9 degrees is clearly not an option. In conclusion, is a 2-wire RTD sensor useless? Well, as long as you keep the sensor distance from the measuring device short enough, the answer is... no. Remember that the wire resistance is set at 1.71 ohm. This means, A LOT of wire. So, you can try to figure out which is the max wire length to get acceptable readings from your 2-wire RTD sensor.

by t81
September 02, 2012

Thanks t81. I suppose you could also bias for the known wire resistance if it is fixed length and gauge. Then you'd only have the inaccuracy caused by resistance change in the wire due to temp changes.

by RogerFL
September 03, 2012

Leave a Comment

Please sign in or create an account to comment.

Revision History

Only the circuit's creator can access stored revision history.