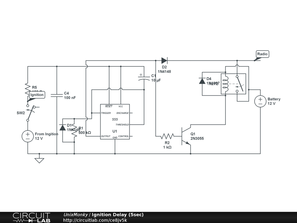
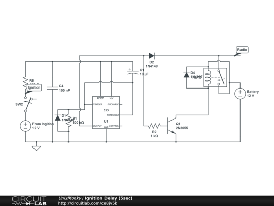
Delay circuit to power on a ham radio 5 seconds after the car is turned on. Change R1 to alter the delay timing. Based on "The Ignition Switch" circuit by Wayne Mahnker, WA5LUV (QST, August 2009)
Copy and paste the appropriate tags to share.
Schematic PNGs: (download or hot-link) small, medium, large
Circuit URL (e-mail, IM, blog, etc.):
CircuitLab forums and comments:
BBCode (many online discussion forums):
Markdown:
HTML:
Not provided.
No comments yet. Be the first!
Please sign in or create an account to comment.
Only the circuit's creator can access stored revision history.