Created by
Created January 10, 2022
Last modified January 10, 2022
Tags No tags.

Summary

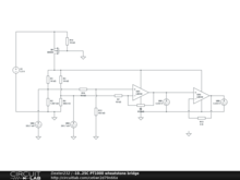
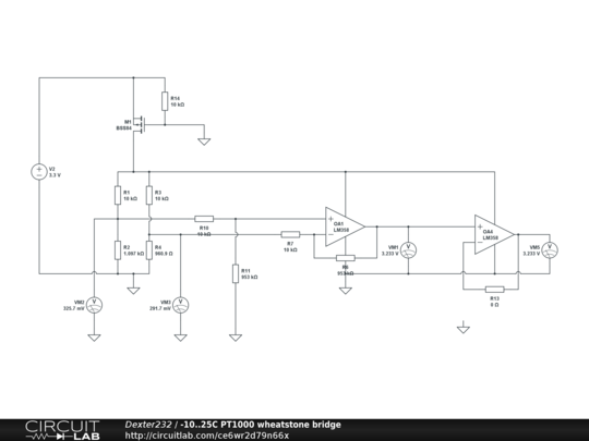
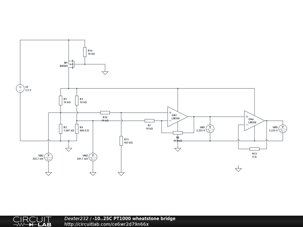
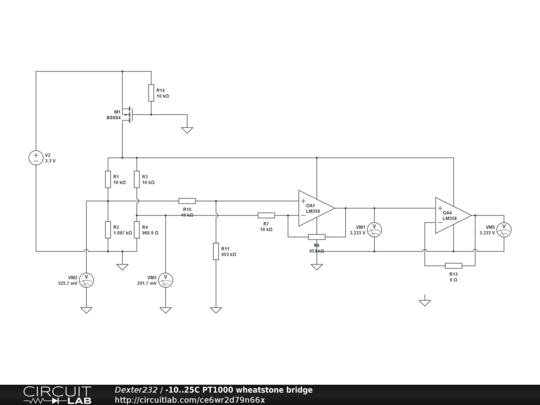
Measuring temperatures form -10 to +25 degrees C with a PT1000 (R4) in a wheatstone bridge.
Using a single 3.3V supply for opamp and ADC


Description

Not provided.


Comments

No comments yet. Be the first!

Leave a Comment

Adding comments has been disabled for this circuit.

Revision History

Only the circuit's creator can access stored revision history.