Created by
Created April 04, 2018
Last modified April 11, 2018
Tags No tags.

Summary

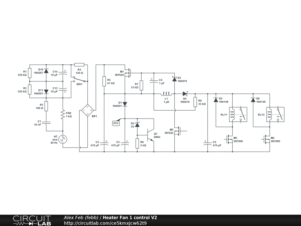
Added uController to control FAN heater


Description

Not provided.


Comments

No comments yet. Be the first!

Leave a Comment

Please sign in or create an account to comment.

Revision History

Only the circuit's creator can access stored revision history.