Created by
Created June 04, 2012
Last modified June 25, 2012
Tags No tags.

Summary

Not provided.


Description

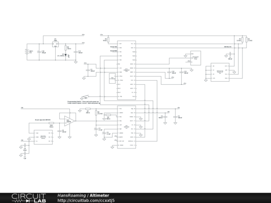
Recording Altimeter based on ATMega328P with Nerdkit bootloader


Comments

No comments yet. Be the first!

Leave a Comment

Please sign in or create an account to comment.

Revision History

Only the circuit's creator can access stored revision history.