Created by
Created March 03, 2013
Last modified August 05, 2013
Tags arduino   car-alarm  

Summary

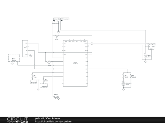
Arduino Pro Mini 5v based car alarm - Microwave motion detection


Description

Arduino Pro Mini 5v based. Uses a usb car charger for power. Motion sensor is a 12v microwave sensor typical of car alarms and found on eBay. The sensor has a negative trigger so no signal level adjustment is needed.

I wanted to avoid needing a key chain remote so it arms automatically 10 minutes after the car is turned off. The alarm can be disarmed by turning the key in the ignition to accessory or by pushing a hidden button. The code allows for a few detections before beeping (and eventually honking) so it won't go off before you get to disarm it.

The Arduino sleeps for two seconds between LED blinks to conserve power. The sensor and a push button both serve as interrupts so it is still responsive during the sleep period. It uses 11mA while sleeping and 17mA while active.

Code: http://pastebin.com/pMp7uXXa

Thanks to Nick Gammon for his guide on Arduino sleep options

Note: I used a 5v car usb charger as the voltage regulator. I tried a few until I found one that was efficient enough to meet my needs.

Unrelated, but something I'm passionate about - If you are a regular yogurt or kefir consumer you should consider DIY kefir - cheaper and better - http://simplykefir.com


Comments

No comments yet. Be the first!

Leave a Comment

Please sign in or create an account to comment.

Revision History

Only the circuit's creator can access stored revision history.