Created by
Created January 17, 2013
Last modified January 17, 2013
Tags No tags.

Summary

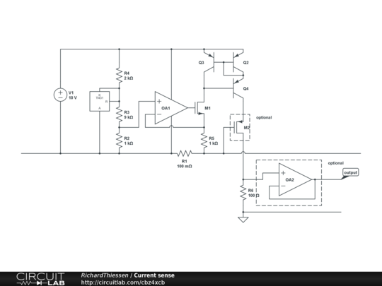
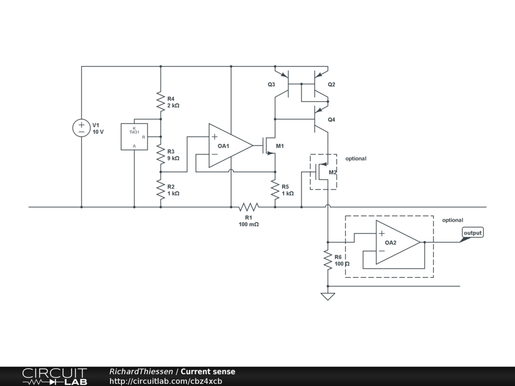
This circuit senses the current in a sense resistor and outputs a ground referenced analog signal linearly related to that current. It is meant for measuring the current leaving a motor driver or similar circuit where the current passes through an output which can be at, or above ground.


Description

This circuit measures the current passing through that long wire in the middle. It outputs a voltage linearly related to that current. With the component values shown when no current is flowing the output will be 2.5 volts and will increase by 1 volt for every amp of current passing rightwards through the sense resistor (vice versa for current the other way). The output voltage can be read by a microcontroller ADC to determine current passing through that wire or used directly by analog control logic. The circuit will function properly so long as the sense resistor does not go too far below ground (4-5 volts).

The circuit works in four steps. -First the current to be measured passes through R1, a low value resistor. This creates a small voltage in R1 proportional to current -The TL431 and attached resistor column provide a fixed 0.25 volt reference which goes to the positive terminal of the op amp. The op amp keeps the upper terminal of R5 at this 0.25 V reference voltage by increasing or decreasing the gate voltage of M1. The voltage across R1 and the 0.25 volt reference voltage force some current through R5 which is pulled from the current mirror through M1. -This current is mirrored by the current mirror and passed down towards signal ground. It passes through R6 creating the desired output voltage.

The current to voltage to current to voltage conversions make the output voltage equal to some factor of the current plus a fixed offset voltage.

please note: For cases where the sense resistor sits at a high positive voltage relative to ground it may be nessesary to include a high voltage p-channel mosfet (M2) to shield the current mirror from the large voltage difference. Additionally the output buffer (OA2) can be included to decrease the circuit's output resistance.


Comments

No comments yet. Be the first!

Leave a Comment

Please sign in or create an account to comment.

Revision History

Only the circuit's creator can access stored revision history.