Created by
Created February 17, 2013
Last modified February 17, 2013
Tags No tags.

Summary

Not provided.


Description

Not provided.


Comments

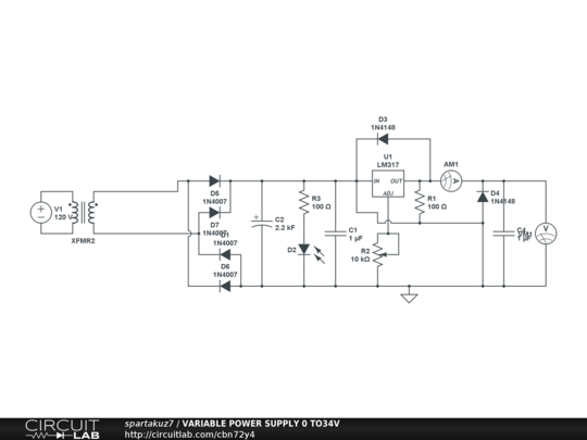
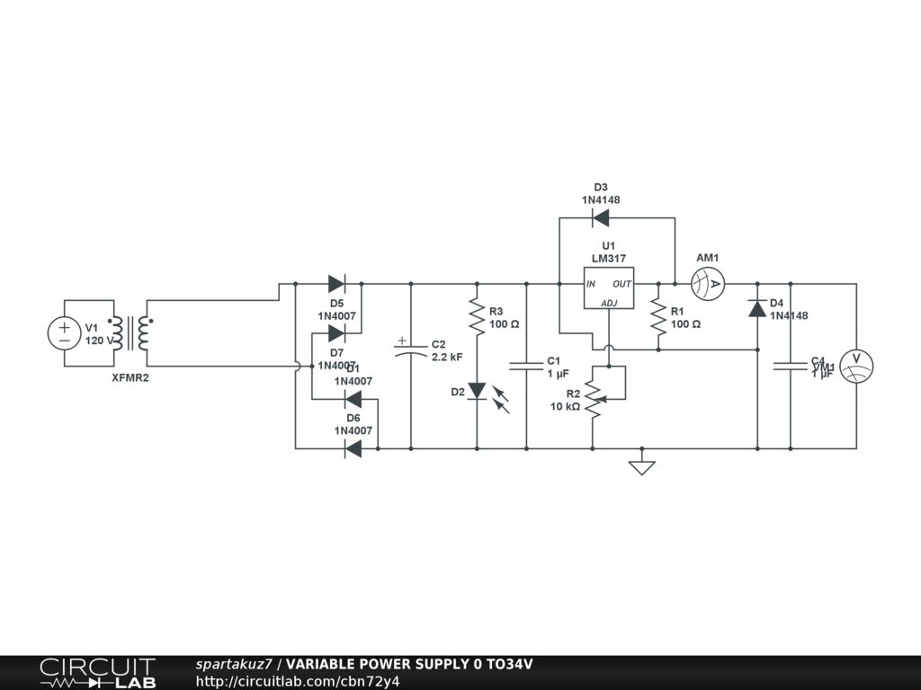
I put this variable power supply but need help in the simulation, it gives me errors with the transformer, can some one test it for me.This is a school project.it uses diodesiIN 4003 in the bridge but this library does not have this diode ,also the transformer should be a 120vac 12-0-12 on the secondary of the transformer.

by spartakuz7
February 17, 2013

Leave a Comment

Please sign in or create an account to comment.

Revision History

Only the circuit's creator can access stored revision history.