Not provided.
Copy and paste the appropriate tags to share.
Schematic PNGs: (download or hot-link) small, medium, large
Circuit URL (e-mail, IM, blog, etc.):
CircuitLab forums and comments:
BBCode (many online discussion forums):
Markdown:
HTML:
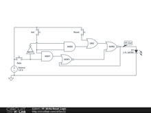
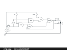
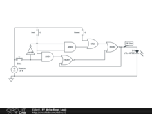
A NOR-Logic based Flip-Flop
No comments yet. Be the first!
Please sign in or create an account to comment.
Only the circuit's creator can access stored revision history.