× Please sign in or register to export images.
Created by
Created May 10, 2013
Last modified May 10, 2013
Tags headlights_ev  

Summary

Not provided.


Description

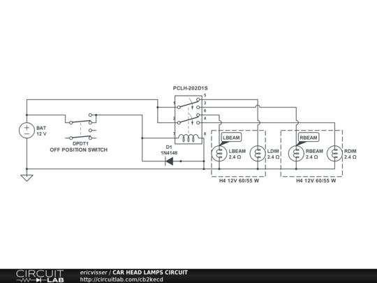
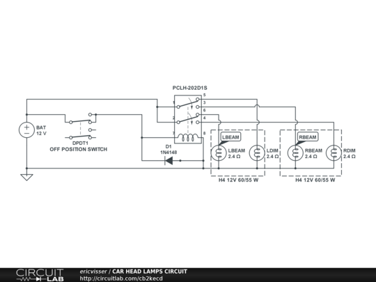
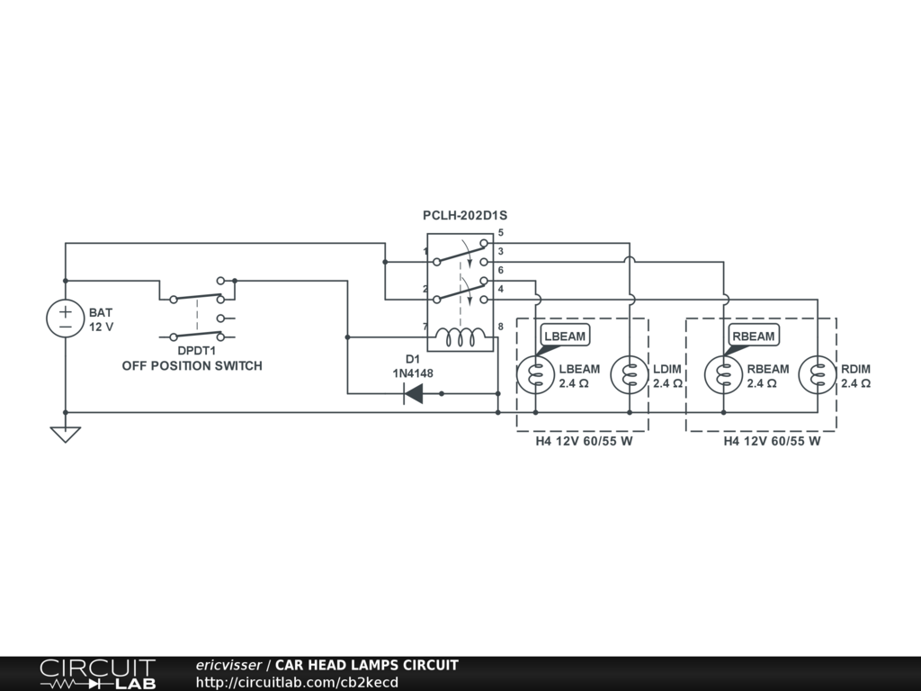
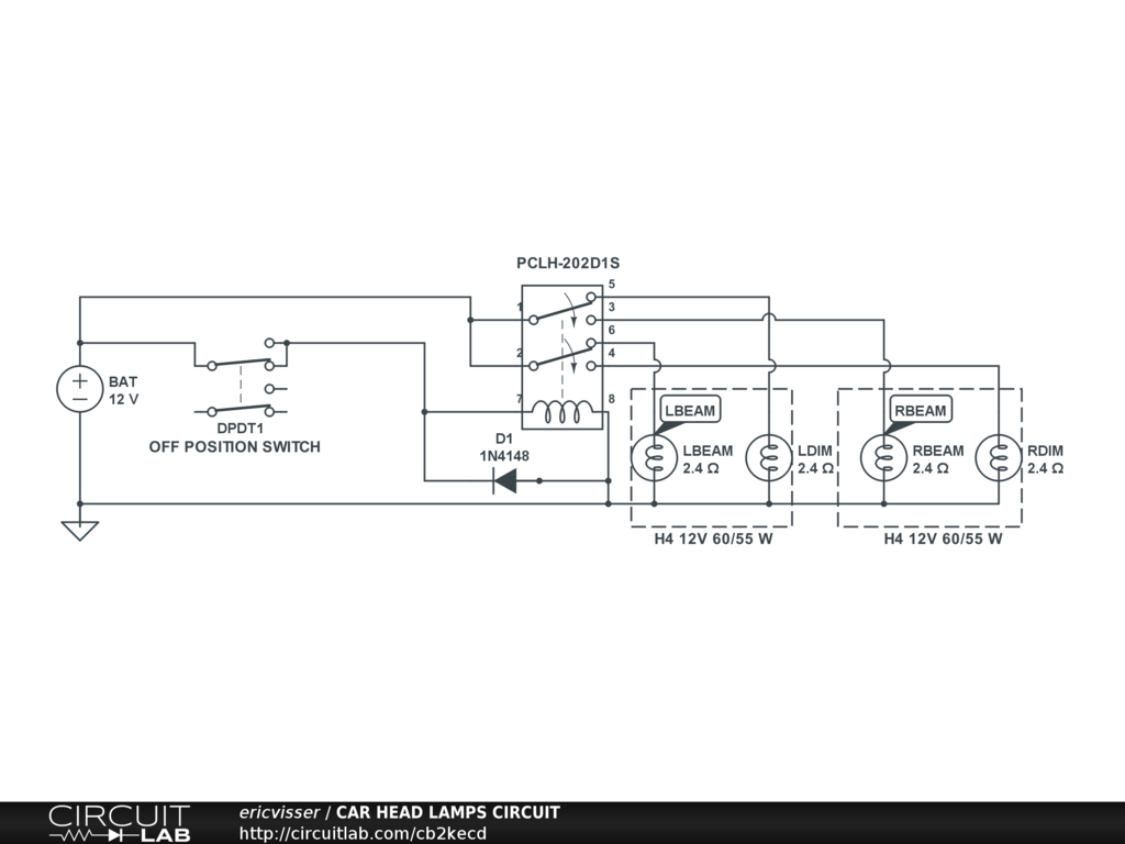
Pls Need help wih this design. I do not understand why I measure only 5 volts at LBEAM and RBEAM. It should read 12V if I am not mistaken.

Regards


Comments

No comments yet. Be the first!

Leave a Comment

Please sign in or create an account to comment.

Revision History

Only the circuit's creator can access stored revision history.