Created by
Created September 01, 2012
Last modified September 01, 2012
Tags No tags.

Summary

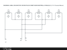
DIAGRAMA LINEAL DE UN MOTOR 3 DE DOS POLOS CONECTADOS EN ESTRELLA PARALELO ( 2 Y //= Tension Menor)


Description

Not provided.


Comments

No comments yet. Be the first!

Leave a Comment

Please sign in or create an account to comment.

Revision History

Only the circuit's creator can access stored revision history.