Created by
Created February 04, 2013
Last modified February 12, 2013
Tags No tags.

Summary

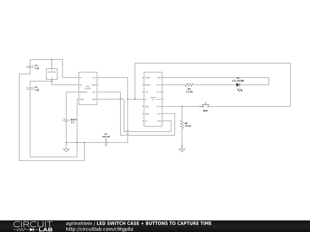
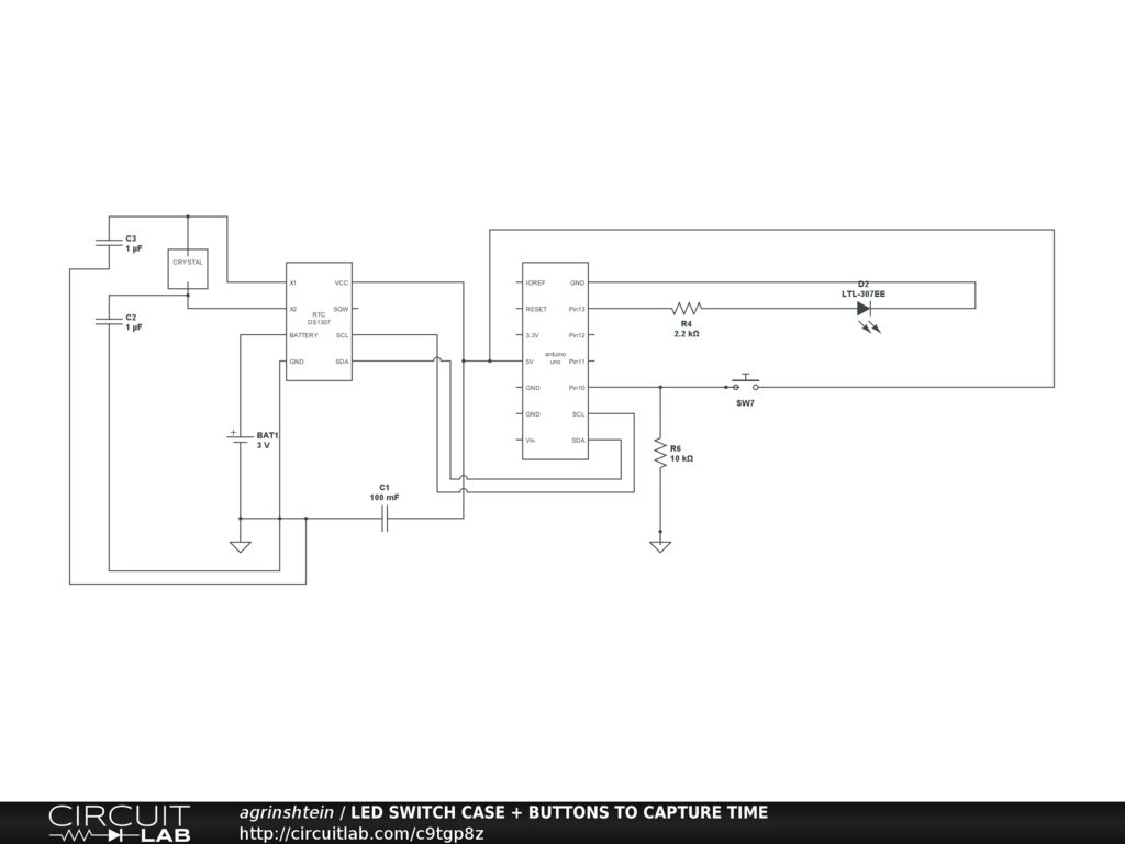
When time is "X" the corresponding LED turns on. When pushbutton "X" pressed captured time sent to serial monitor


Description

Not provided.


Comments

No comments yet. Be the first!

Leave a Comment

Please sign in or create an account to comment.

Revision History

Only the circuit's creator can access stored revision history.