Created by
Created 1 day, 6 hours ago
Last modified 1 hour, 50 minutes ago
Tags octave-fuzz  

Summary

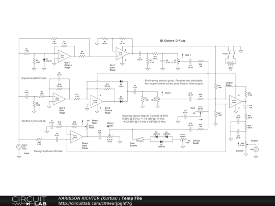
Two 1st Upper Octave Voices plus Fuzz on the Direct signal.


Description

Two 1st upper octave voices plus fuzz on the direct signal. All three signals are mixable separately. The two octave voices are derived from different subcircuits, and the fuzz on the direct signal can be disabled. Controls Include: Oct 1 level, Oct 2 level, Direct Gain, Direct Level, Fuzz Enable switch, Fuzz Depth, Tone, and Volume. Range with all controls at 50% is from 40 Hz to 40 kHz. Maximum gain = +17.4 dBV @ 2.5 kHz with all controls at 50%, double that minimum with all controls at 100%. Recommended only for 6-string electric guitar. Suitable for stomp-box applications, but the battery can be replaced by a regulated single-polarity DC supply providing +9VDC at >= 40 mA of current. And while simulator verified, treat the circuit as experimental. Breadboard test before soldering.


Comments

No comments yet. Be the first!

Leave a Comment

Please sign in or create an account to comment.

Revision History

Only the circuit's creator can access stored revision history.