Created by
Created October 20, 2013
Last modified October 21, 2013
Tags No tags.

Summary

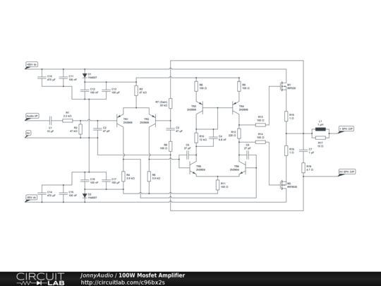
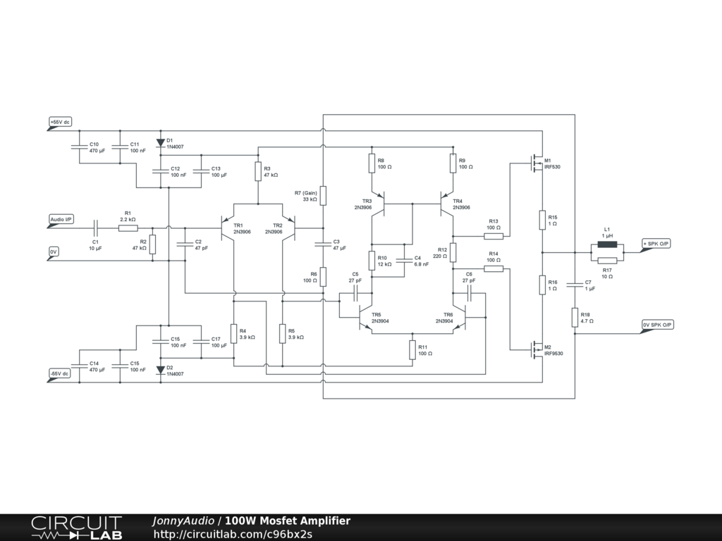
A good Mosfet Amplifier although on here needs some better choice of transisters & mosfets
For TR1,2,3,4 - 2N5401
For TR5,6 - 2N5551
For TR7,8 Buz900,905 or J50,K135
But this is my choice, you choose your own complimentary IC's


Description

A 100W @ 8 ohms Mosfet Amplifier running in Class A (220ohm - R12)


Comments

Class A/B is achieved by using 150ohms at R12...

by JonnyAudio
November 05, 2013

Leave a Comment

Please sign in or create an account to comment.

Revision History

Only the circuit's creator can access stored revision history.