Created by
Created November 11, 2012
Last modified November 11, 2012
Tags No tags.

Summary

Not provided.


Description

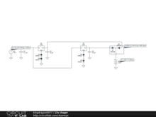
please leave comments. Need double check!!! Circuit is for lawn tractor charging system with 35v 2Amp stator. 2 LM7812 with Bridge Rectifier between outputs


Comments

No comments yet. Be the first!

Leave a Comment

Please sign in or create an account to comment.

Revision History

Only the circuit's creator can access stored revision history.