Created by
Created December 30, 2012
Last modified January 04, 2013
Tags No tags.

Summary

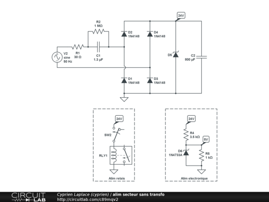
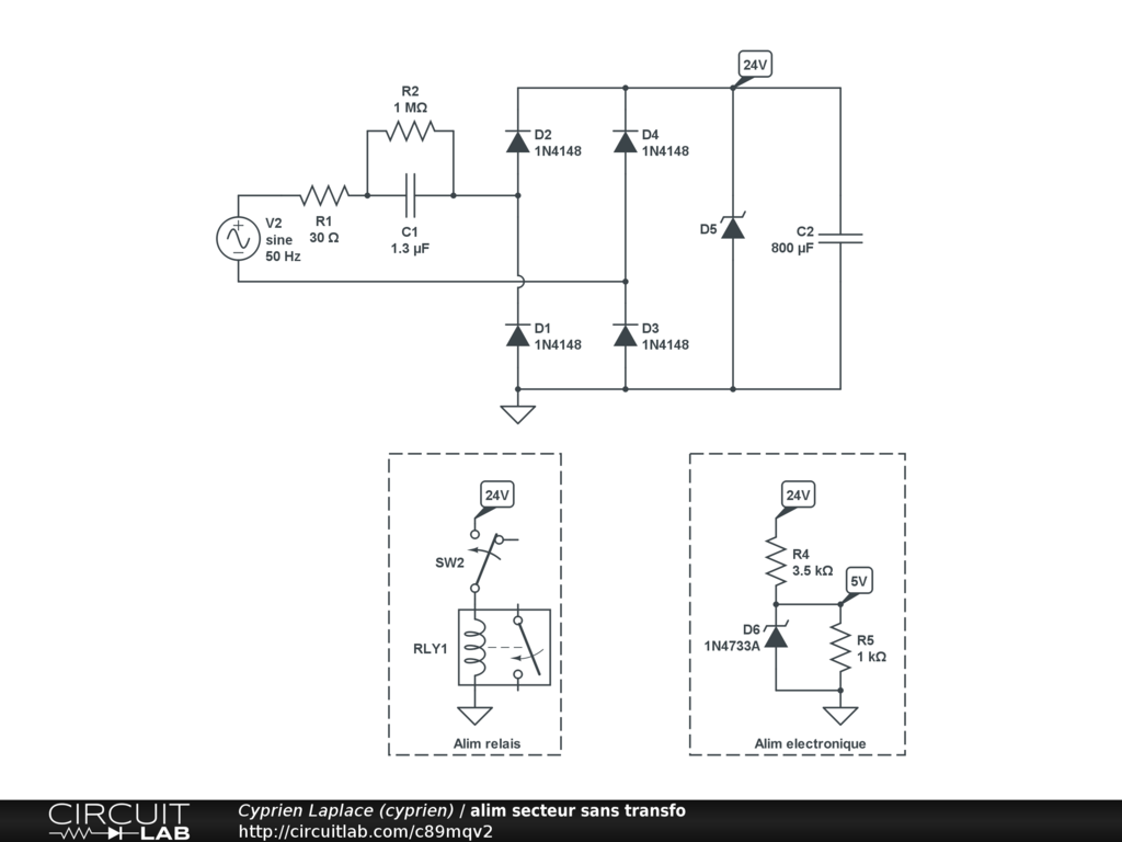
Alimentation secteur sans transformateur 230V AC vers 24V DC / 50mA et 5V DC / 5mA.

ATTENTION DANGER !! CE MONTAGE MANIPULE DIRECTEMENT DU 230V

Inspiré par http://www.sonelec-musique.com/electronique_bases_alims_sans_transfo.html
LIRE ABSOLUMENT http://www.sonelec-musique.com/electronique_avertissements.html


Description

Not provided.


Comments

No comments yet. Be the first!

Leave a Comment

Please sign in or create an account to comment.

Revision History

Only the circuit's creator can access stored revision history.