Created by
Created February 11, 2017
Last modified February 11, 2017
Tags No tags.

Summary

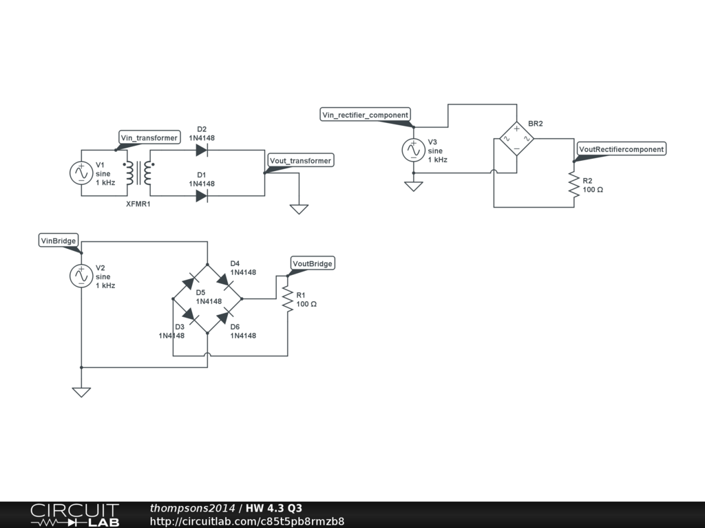
The voltage in for the rectifier component was the lowest out of the three while the transformer had the highest voltage out over the three. All three rectifiers made similar circuits and overlapped with the bridge rectifier.


Description

Not provided.


Comments

No comments yet. Be the first!

Leave a Comment

Please sign in or create an account to comment.

Revision History

Only the circuit's creator can access stored revision history.