Created by
Created January 21, 2026
Last modified January 22, 2026
Tags split-15v-supply  

Summary

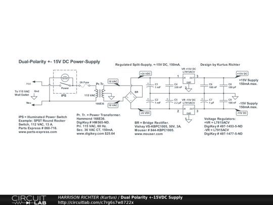
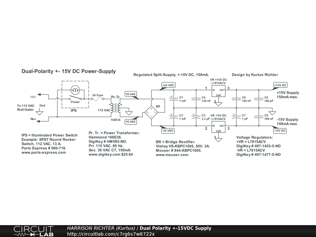
Regulated Dual-Polarity +-15V DC Power-Supply, 150 mA.


Description

Regulated dual-polarity +-15V DC power-supply with up to 150 mA of current.
Important part-numbers provided in diagram.


Comments

No comments yet. Be the first!

Leave a Comment

Please sign in or create an account to comment.

Revision History

Only the circuit's creator can access stored revision history.