Created by
Created February 20, 2013
Last modified February 20, 2013
Tags No tags.

Summary

Not provided.


Description

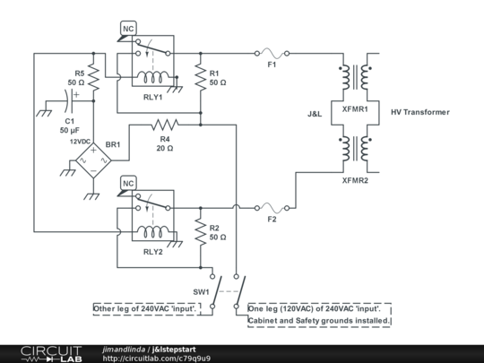
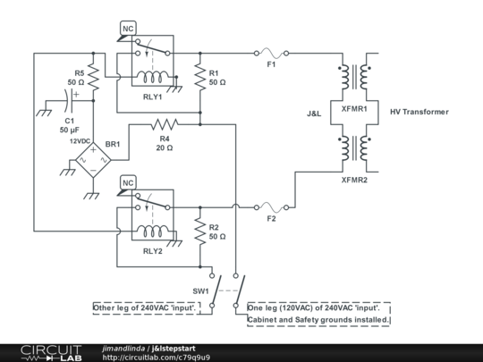
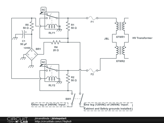
Will this Step Start circuit work to provide a gentle start up on the High Voltage side of the transformer? How much delay do you think it will have before shorting out the resistors R1 & R2? How much voltage drop across R1 & R2 will there be during the initial start up (assume the dual primaries have 70 ohms each and the RLY's have 100 ohms each)?


Comments

No comments yet. Be the first!

Leave a Comment

Please sign in or create an account to comment.

Revision History

Only the circuit's creator can access stored revision history.