Created by
Created March 18, 2018
Last modified March 18, 2018
Tags No tags.

Summary

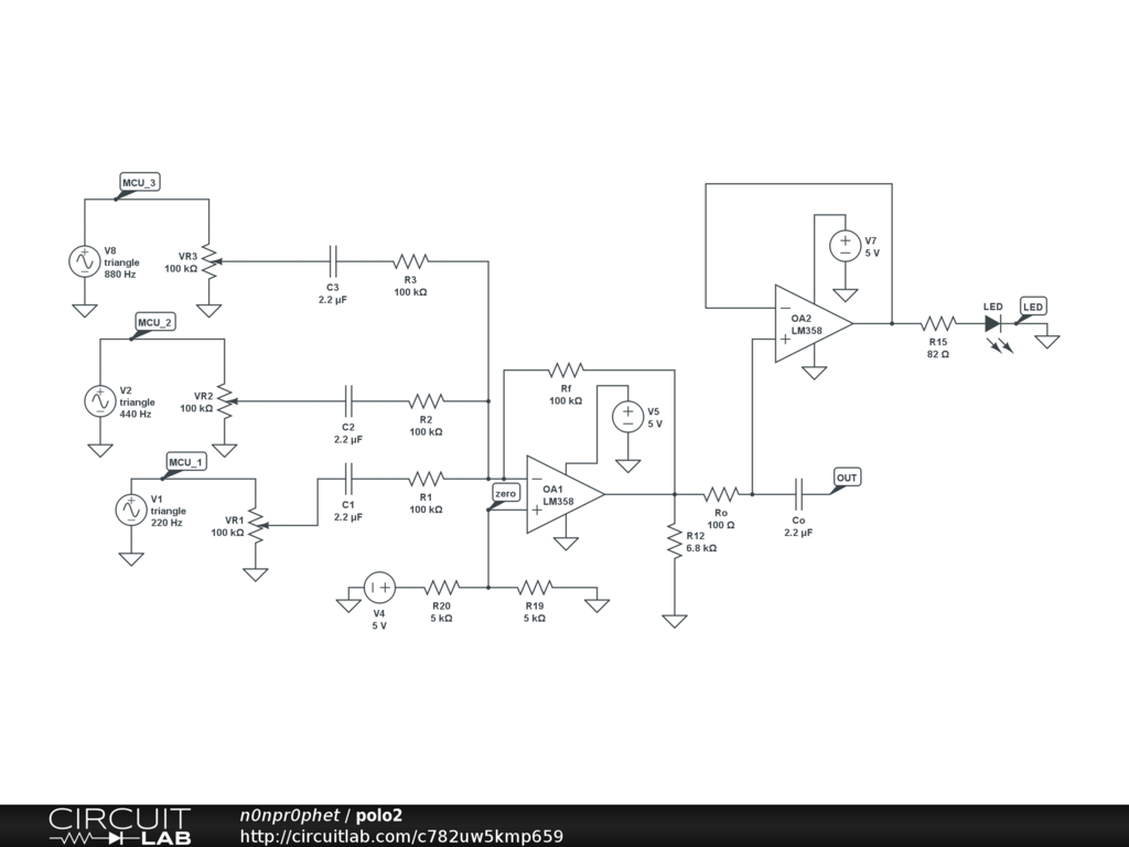
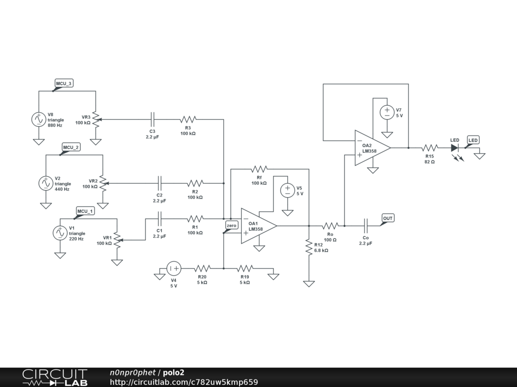
a single 5v supply summing circuit for audio mixing of arduino created waveforms.


Description

The LM386 come two to a package so I just used the second one to drive the LED. We trick the circuit to operate in a single supply by pretending that 2.5v is zero through a voltage divider on the + input.


Comments

No comments yet. Be the first!

Leave a Comment

Please sign in or create an account to comment.

Revision History

Only the circuit's creator can access stored revision history.