Created by
Created June 28, 2025
Last modified 2 days, 19 hours ago
Tags quiet-a-b-switch  

Summary

Quiet electronic A / B switch for guitar effects.


Description

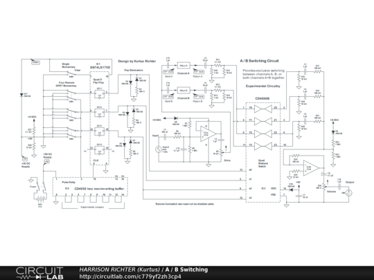
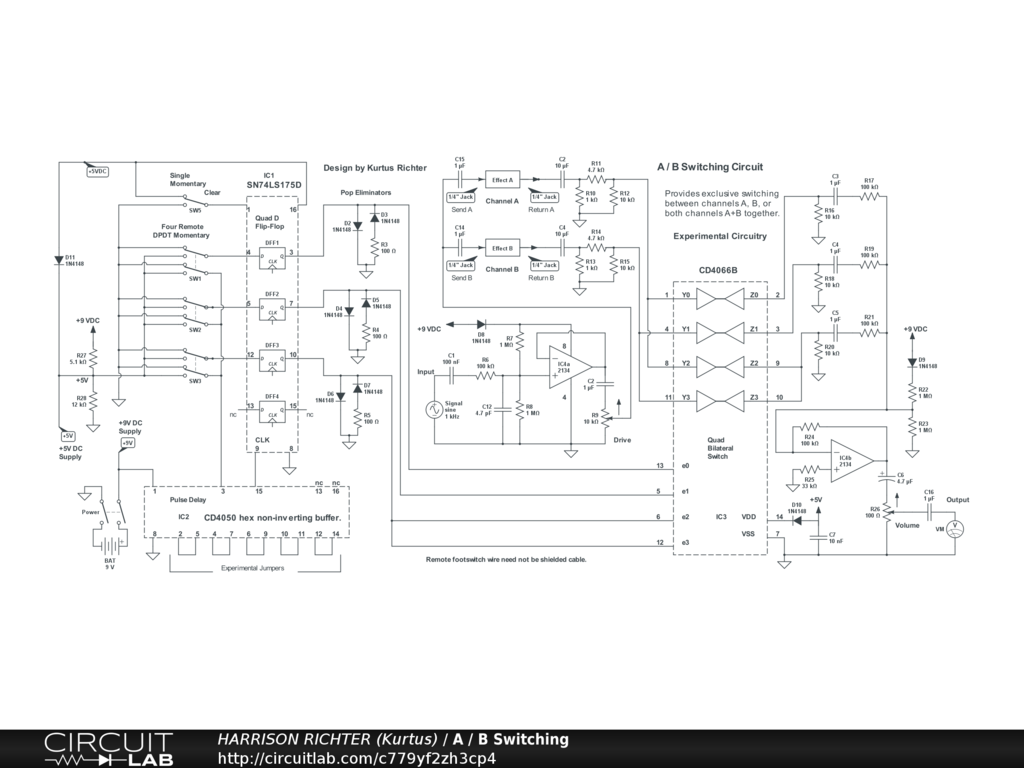
Quiet electronic A / B switch for guitar effects. Provides switching between two different effects, one in Channel A and the other in Channel B, and also both Channels A and B together. Uses momentary footswitches to provide selection, and includes a momentary Clear switch that disables both effect sends but without turning off the circuit. Switch A activates Channel A while Switch B simultaneously activates Channel B while disabling Channel A. Switch A+B activates both Channel A and Channel B together. Circuit can be supplied by a single 9V battery, making it ideal for stomp-box applications. Important Note: This circuit cannot be verified by a simulator due to the unavailability of suitable models for the flip-flop and bilateral-switch ICs. It must therefore be regarded as both theoretical and experimental. Breadboard test it before committing to a soldered build. And house in a grounded metal enclosure.


Comments

No comments yet. Be the first!

Leave a Comment

Please sign in or create an account to comment.

Revision History

Only the circuit's creator can access stored revision history.