Created by
Created April 15, 2013
Last modified May 09, 2013
Tags No tags.

Summary

Not provided.


Description

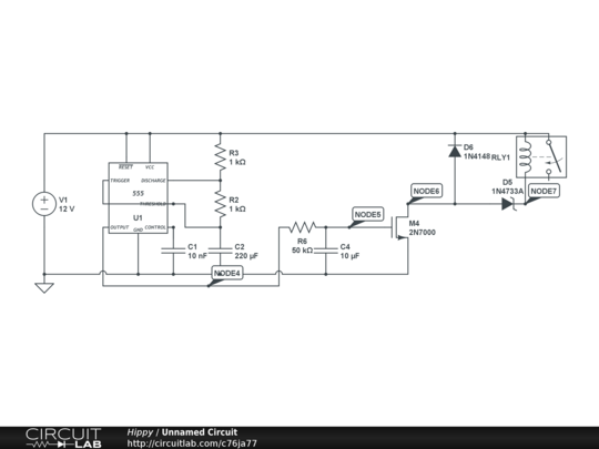
What i need to achieve is a 12v or earth pulse of around 2ms variable from about 3hz to 3khz! PLEASE HELP?? I'm trying to build a variable speed fuel injector driver for a jet engine I built and I just don't know anything about circuits! in this R3 is actually a 10k ohm pot (its just easier to test like that) and the relay represents the injector. all advice gratefully received!


Comments

No comments yet. Be the first!

Leave a Comment

Please sign in or create an account to comment.

Revision History

Only the circuit's creator can access stored revision history.