Created by
Created March 03, 2026
Last modified April 07, 2026
Tags digital-delay  

Summary

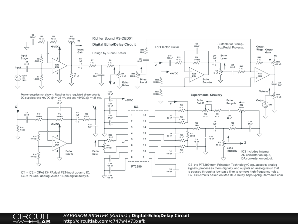
Analog-Voiced Digital-Delay Circuit


Description

Digital delay circuit based on a design reported to sound like a vintage analog tape echo unit. Relies on the popular PT2399 echo IC, which has a built-in AD converter, digital delay processing, DA converter, and low-pass filter, and can be used with op-amps on its input and output, providing gain for analog input and output signals. The circuit here is based on the Mad Blue Delay DIY project from PCB Guitar Mania. https://pcbguitarmania.com The circuitry associated with IC1 is of my own design, but that local to IC2 and IC3 are based on the Mad Blue Delay, which is a clone of the Deep Blue Delay by Mad Professor, along with comparisons to the application diagram in the datasheet for the PT2399 and to other clones. Controls here include: Input Gain, Direct Level, Echo Drive, Echo Recycle, Echo Cutoff, Echo Intensity, Echo Level, Output Gain, and Volume. Power-supplies not shown. Requires two positive supplies: one filtered but unregulated +9V DC battery and one +5V DC filtered and regulated supply (with input from the +9V battery). The X, Y, and Z arrows in this diagram indicate that jumpers must be installed between the outgoing arrow to the corresponding ingoing arrow. This design provides gain up to +30 dBV, depending on Gain, Level, and Volume settings.


Comments

No comments yet. Be the first!

Leave a Comment

Please sign in or create an account to comment.

Revision History

Only the circuit's creator can access stored revision history.