Created by
Created May 22, 2013
Last modified May 25, 2013
Tags No tags.

Summary

Not provided.


Description

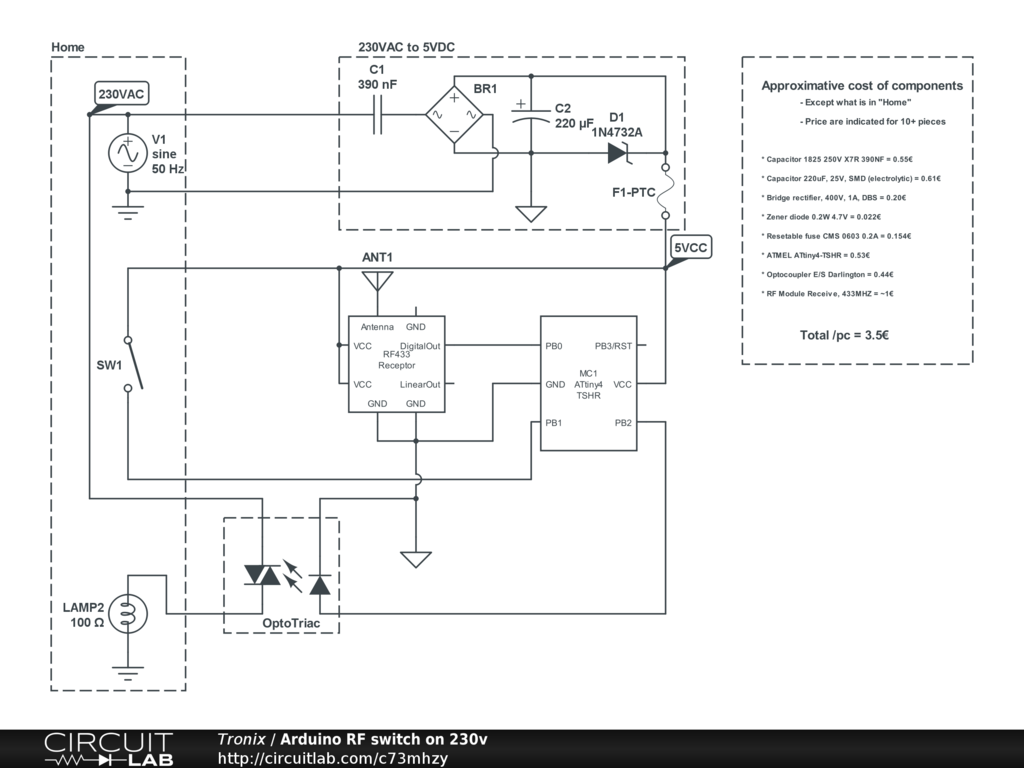
Minimalist version, estimated cost: 3.5€ per piece

The circuit can be powered by 110VAC to 250VAC

The main purpose is to control lights or any other electrical device that runs on 50V to 400V AC or DC.

The switch is mainly there to be able to force on/off, but it can be directly used in parallel of the circuit if you want to save an ouput (it means the switch should be off so that the ATtiny can be the master). The RST pin on the ATtiny can also be used as an extra output (but be careful by deactivating RST, the ATtiny could not be reprogrammed... at least not easily).

The total cost is aproximately 3.5€ using SMD components and an 1€ RF receiver (price can be lowered to <3€ by doing the receiver from scratch too).

I plan to use a web interface hosted on a Raspberry PI to control those receivers.


Comments

No comments yet. Be the first!

Leave a Comment

Please sign in or create an account to comment.

Revision History

Only the circuit's creator can access stored revision history.